LS2一3主令开关接线图

矿用主令开关三档是如何控制的,具体怎么接线?
图片尺寸357x729
起重机升降控制装置由主令控制器lks,控制柜和装在控制柜中的控制电路
图片尺寸1856x2144
kbh6127矿用转换开关怎么看懂它的接线图图文详解
图片尺寸480x250
kbh6127矿用转换开关怎么看懂它的接线图图文详解
图片尺寸652x538
220v倒顺开关实物接线图
图片尺寸807x580
kbm3110矿用隔爆型主令开关的工作原理
图片尺寸435x551
kbm-3/110矿用隔爆型主令开关可以用在哪里?_照明灯_环境_应用
图片尺寸559x423
kbm-3/110矿用隔爆型主令开关的防爆原理是什么?_保护_爆炸_接线
图片尺寸641x504
kbm-3/110矿用隔爆型主令开关采取了哪些防爆措施?_保护_接线_爆炸性
图片尺寸635x749
kbh6127矿用转换开关怎么看懂它的接线图图文详解
图片尺寸513x625
主令电器:行程开关,常开/常闭按钮
图片尺寸450x346
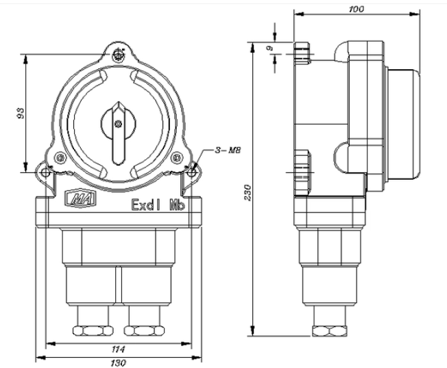
kbh6127矿用转换开关怎么看懂它的接线图图文详解
图片尺寸650x558
西门子主令开关图
图片尺寸640x480
以抓斗上升为例,主令开关 s a1转至"升",电流经 s上档 a1闭 合触点
图片尺寸1536x2338
690_332
图片尺寸690x332
729_352
图片尺寸729x352
主令开关控制器
图片尺寸721x669
400_300
图片尺寸400x300
zookeeper集群搭建以及客户端使用
图片尺寸721x287
什么是主令电器主令电器有哪些
图片尺寸522x641