PLC控制

plc控制系统
图片尺寸1000x656
plc控制两台电动机顺序启动电路
图片尺寸1025x1522
西门子plc控制系统
图片尺寸750x563
图3-29 变频器工频/变频运行切换plc 控制电路接线图和梯形图
图片尺寸606x1186
邮件分拣机的plc控制实训
图片尺寸806x1292
plc控制电机正反转原理图
图片尺寸610x611
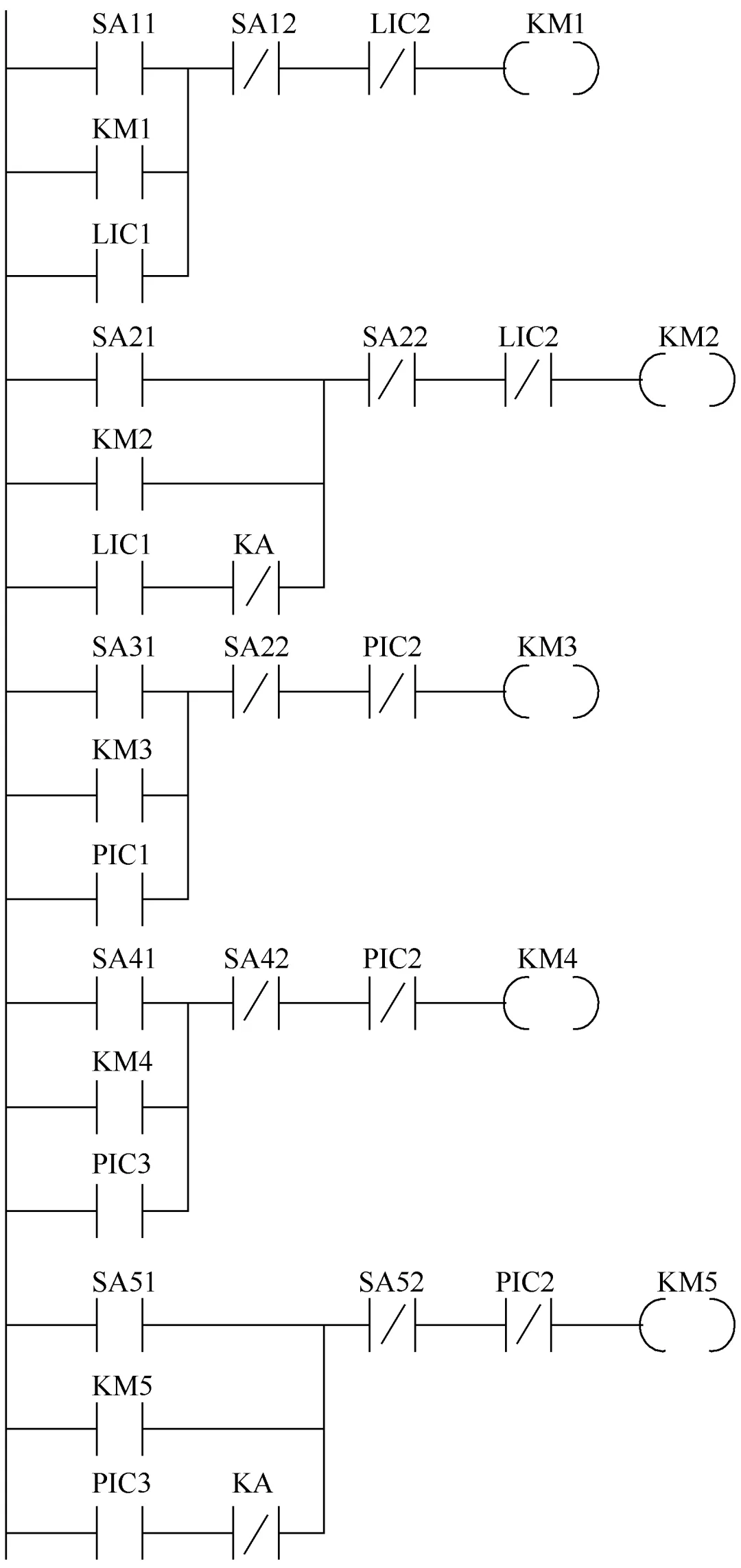
图4 plc控制程序表1 各个输入输出点plc地址4 结论通过开启消防栓来
图片尺寸1080x2286
多种液体自动混合的plc控制
图片尺寸696x504
plc控制系统- plc控制系统,触摸屏控制系统,人机界面控制系统
图片尺寸750x562
10 plc控制系统设计ppt
图片尺寸1080x810
plc控制系统
图片尺寸532x709
西门子plc的电动机异地分别控制编程实例解决方案华强电子网
图片尺寸1150x699
plc控制
图片尺寸802x534
典型plc控制电路的识读方法
图片尺寸640x884
plc控制 - 2020年最新商品信息聚合专区 - 百度爱采购
图片尺寸3527x2946
工业plc控制系统现场总结
图片尺寸1920x1920
图5-52 卧式镗床plc控制系统i/o接线图
图片尺寸518x495
plc智能路灯控制系统-中文.jpg
图片尺寸1600x1013
工业自动化plc控制系统的发展方向介绍
图片尺寸1610x1010
图解plc与变频器通讯接线立马学会用plc控制变频器
图片尺寸960x552