PWM电路

12v电机速度pwm控制电路
图片尺寸920x586
基于lm555简单的pwm控制电路
图片尺寸619x360
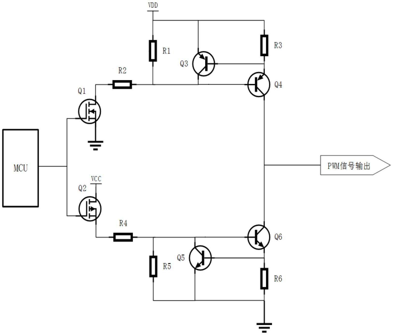
pwm信号驱动放大电路
图片尺寸1458x764
pwm电流控制电路
图片尺寸1461x497
有刷直流电机pwm调速器电路设计
图片尺寸1003x560
我想用pwm控制直流电机,电路问题请指教
图片尺寸818x363
pwm输出电路大神帮忙分析一下
图片尺寸604x501
pwm驱动直流减速电机
图片尺寸772x562
桥式可逆pwm变换器电路
图片尺寸1930x1101
pwm控制mos管,我这样接可以吗
图片尺寸1263x811
一个pwm波占空比控制输出电压的电路,没有太看懂
图片尺寸341x235
一种多亮度灯光展示道具的pwm驱动电路
图片尺寸1735x674
哪位大佬能给个pwm降压电路参考
图片尺寸986x714
新第十八讲_计算法pwm控制技术1ppt 产生双极性spwm波主电路和控制
图片尺寸1080x810
图2 平均电流模式控制 pwm 电路图
图片尺寸510x264
实验四,脉宽调制pwm技术
图片尺寸762x405
pwm驱动电路
图片尺寸1629x1386
ht合泰单片机入门教程第五章pwm
图片尺寸608x791
模拟电路pwm的实现电路
图片尺寸626x348
关于51单片机用pwm控制风扇的电路问题
图片尺寸988x533