SG3525引脚图

3 应用
图片尺寸3198x1796
3525内部引脚和框图
图片尺寸439x602
sg3525引脚
图片尺寸317x239
1 引脚说明
图片尺寸1129x845
sg3525引脚功能及应用电路图
图片尺寸988x478
sg3525逆变器电路图时间
图片尺寸1728x2630
sg3525的中文资料
图片尺寸1584x2056
由sg3525芯片构成的开关电源能不能实现大范围调压?(图来了)
图片尺寸1818x2477
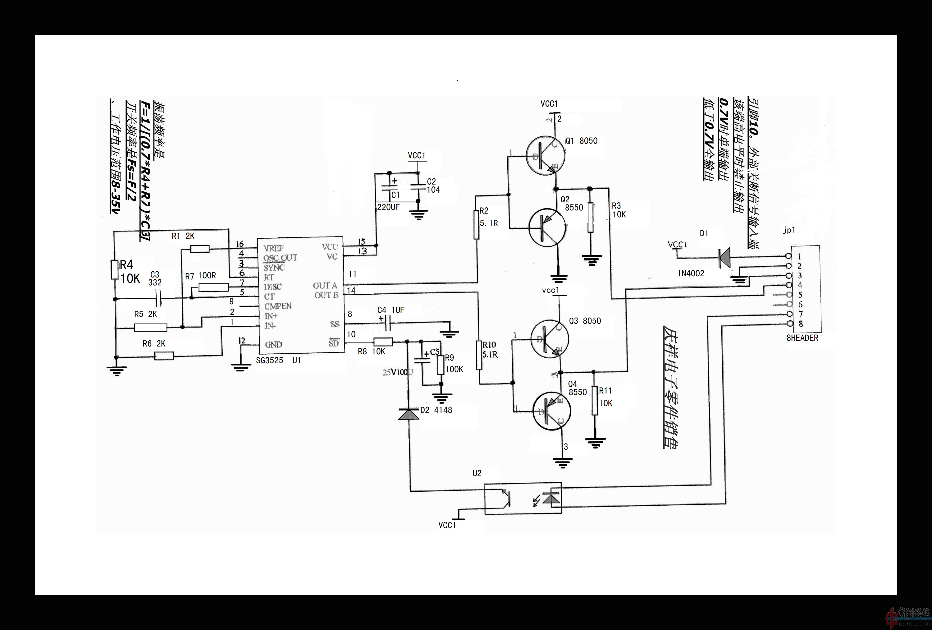
12v逆变器sg3525电路
图片尺寸1005x628
sg3525 (uc1)引脚功能和参考电压
图片尺寸2058x1398
sg3525中文资料引脚功能应用电路_第1页
图片尺寸920x1302
sg3525,怎样调脉宽?
图片尺寸699x445
淘宝上购得sg3525电路板一块 - 科创
图片尺寸3000x2027
图2sg3525a引脚分布
图片尺寸410x323
图解sg3525引脚抛砖引玉
图片尺寸850x585
sg3525引脚功能及特点简介(图二)
图片尺寸506x378
四款sg3525典型应用电路图
图片尺寸891x564
求指导sg3525的用法
图片尺寸2020x1291
sg3525逆变器电路图.doc
图片尺寸1728x1267
sg3524是开关电源脉宽调制型控制器_第1页
图片尺寸1240x1753