STM32单片机

头条问答 - 初学stm32单片机是用正点原子的mini版好还是精英版好呢?
图片尺寸640x603
stm32单片机
图片尺寸591x886
stm32 esp-01s emqx实现单片机mqtt协议传输数据上云(二)stm32f103与
图片尺寸1741x1741
原装stm32f103zet6小系统板arm开发板核心嵌入式单片机stm32f103
图片尺寸800x800
st意法半导体推出袖珍,方便的stlink-v3mini调试探头,加快stm32应用
图片尺寸737x553
stm32和51单片机该如何选择
图片尺寸511x440
stm32和51单片机该如何选择
图片尺寸640x510
stm32f446ret6 rct6 rct7 stm32f446vet6 vct6微控制器单片机
图片尺寸800x800
stm32和树莓派哪个好?哪个入手难度更高?_单片机_程序_boot
图片尺寸1026x813
stm32单片机学习教程
图片尺寸605x375
精英stm32f103zet6arm开发板嵌入式学习套件强51单片机主板套餐激光
图片尺寸750x759
智能仪表处理器armcortexm3内核的stm32单片机
图片尺寸452x280
基于stm32单片机的家庭智能火灾安全系统研究
图片尺寸834x458
stm32单片机一课一得
图片尺寸2842x1280
stm32单片机
图片尺寸640x544
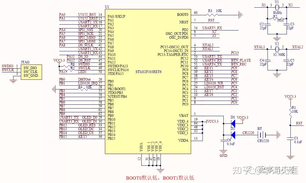
stm32单片机最小系统详解
图片尺寸1041x624
初中生文凭学习单片机stm32很简单吗
图片尺寸716x567
【stm32单片机设计】立体停车库停车场车位监控计时收费系统
图片尺寸2692x2018
pic,avr,51,stm32单片机有什么区别?
图片尺寸640x261
基于stm32单片机智能台灯系统
图片尺寸1080x606