T型梁腹板

张家口t型梁
图片尺寸500x400
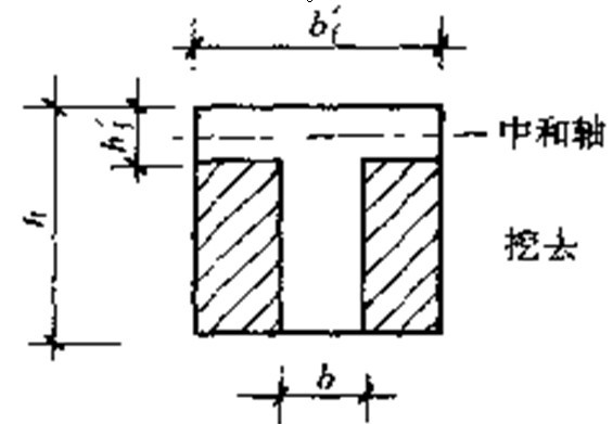
t梁上部两侧伸出的部分叫翼檐,中间部分叫梁肋或腹板.
图片尺寸560x372
两侧挑出部分称为翼缘,其中间部分称为梁肋(或腹板).
图片尺寸640x425
钢结构t次梁腹板2什么意思需要算工程量吗
图片尺寸815x641
t梁上部两侧伸出的部分叫翼檐,中间部分叫梁肋或腹板.
图片尺寸560x372
预制t梁
图片尺寸869x652
9月15日,这是昆玉铁路安宁制梁场生产的国家认证的t型梁.
图片尺寸488x363
t型梁的预制工艺
图片尺寸640x480
t梁上部两侧伸出的部分叫翼檐,中间部分叫梁肋或腹板.
图片尺寸560x372
预制t梁
图片尺寸869x652
预制t梁
图片尺寸560x294
t梁上部两侧伸出的部分叫翼檐,中间部分叫梁肋或腹板.
图片尺寸900x600
03搜索t型梁
图片尺寸896x471
t梁上部两侧伸出的部分叫翼檐,中间部分叫梁肋或腹板.
图片尺寸560x372
波形钢腹板桥梁设计与施工ppt讲义518页
图片尺寸760x570
两侧挑出部分称为翼缘,其中间部分称为梁肋(或腹板).
图片尺寸565x391
运用hamilton原理和能量变分法推导出波形钢腹板一钢底板一混凝土顶板
图片尺寸1000x626
涉及预制构件的技术领域,其包括长条形的梁主体,所述梁主体包括腹板
图片尺寸800x541
t型截面梁设计
图片尺寸1080x810
图6-2 t型刚构桥中腹板两侧布置体外预应力通长索
图片尺寸599x197