TN-C-S系统图

电气中tn-c-s系统是什么
图片尺寸428x296
tn—s系统是什么,tn-c和tn-s的主要区别是什么为什么是三相五线制系统
图片尺寸600x321
tn-c-s供电系统如图所
图片尺寸640x446
3.tn--c--s系统
图片尺寸640x425
求tn-c,tn-s,tn—c—s简图
图片尺寸1050x564
总配电箱内分箱开关极数和tn-c-s问题(如图)
图片尺寸781x430
tn-c-s系统接线图
图片尺寸637x297
tn-c-s系统接地示意
图片尺寸939x638
tns系统
图片尺寸1076x660
tn-c-s系统接线图
图片尺寸715x335
求tn一c一s 系统「重复接地,保护接零」的标准解读?
图片尺寸720x725
常见的tn-c,tn-s,tn-c-s系统都有什么特点?以及应用于什么情况
图片尺寸640x303
tn-s系统,经常会遇到的几个问题!
图片尺寸640x480
数据中心tnctncs配电系统浅谈
图片尺寸698x761
tn-s系统图
图片尺寸704x356
配电系统(tn-c-s)示意图
图片尺寸618x268
tn-s系统里将工作零线与保护零线完全分开,从而克服了 tn-c供电系统的
图片尺寸607x319
tn-c-s 重复接地 三相四线 图纸及施工 各位老师帮忙看看对不对?
图片尺寸2592x1456
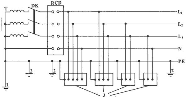
tn-c-s如何在配电柜中体现出来?
图片尺寸600x444
采用tn-s接地.jpg
图片尺寸760x570