a42引脚图

a42 mpsa42 to-92 三极
图片尺寸750x500
供应2907 三极管2907-2f 插件三极管2907-2f 厂销三极管2907-2f
图片尺寸229x155
定制防水卷材铝箔自粘卷材沥青自粘胶带聚酯胎自粘钢构
图片尺寸990x990
奥迪汽车67空调压缩机和热管理系统技术剖析
图片尺寸1080x775
电源芯片选型难,不如先看看这篇英集芯历年拆解案例汇
图片尺寸1080x608
in5368b 汽车用 in5368 直插 5368 大功率稳压管
图片尺寸360x360
是→修理ecm/pcm (a42)和制动踏板位置开关之间线束的短路
图片尺寸900x938
开门红中联西北院成功中标多个工程项目
图片尺寸1246x938
hxr 供应全系列肖特基二极管 1n5822 in5822 3a/40v
图片尺寸1920x1920
师者之风范德艺之高格郭文伟盛赞恩师焦俊华教授
图片尺寸1936x2263
a42c,a42c pdf中文资料,a42c引脚图,a42c电路-datasheet-电子工程世界
图片尺寸828x1169
徐工xga4250d6wcg9系列6×4国六燃油危化品牵引车
图片尺寸1200x800
高通自动驾驶靠软件开发革新力压英伟达自动驾驶芯片
图片尺寸965x593
立足常规提质效调研交流促发展
图片尺寸1000x750
常见的pmos开关电路问题分析 - 电源/新能源 - 电子发烧友网
图片尺寸558x58
mmbta42a42a92ksp92npnpnp三极管贴片三极管
图片尺寸800x800
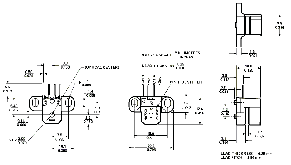
h9730 解码器 h9730-q50光栅读头 heds-9730#q50编码器 avago
图片尺寸950x539
febest 0210-061a42 joint, drive shaft
图片尺寸600x375
6cca7c95-e05c-42c8-9f45-a42d2ff1d039size_w_2560_h_1706.jpg
图片尺寸1199x799
雅昌专稿单凡在东西文化交汇点探索竹的当代艺术语言
图片尺寸195x319