acs510接线图

abb变频器acs510接线图及参数表
图片尺寸1754x1235
图2-3 acs510-01变频器端子接线图1
图片尺寸850x1093
abbacs510一拖二电路图
图片尺寸920x1302
求助abbacs510恒压供水详细设定
图片尺寸1348x587
请电气工作的朋友们讲解下图中abb acs510变频器接线图的意思?
图片尺寸776x1048
acs51001变频器在恒压供水中的应用
图片尺寸806x1088
请问变频器acs510的25ro3c,26ro3a,27ro3b是什么作用接到哪里去了
图片尺寸772x1032
abb acs510恒压供水变频器维修_接线图分享
图片尺寸550x681
abb acs510恒压供水变频器维修_接线图分享
图片尺寸700x584
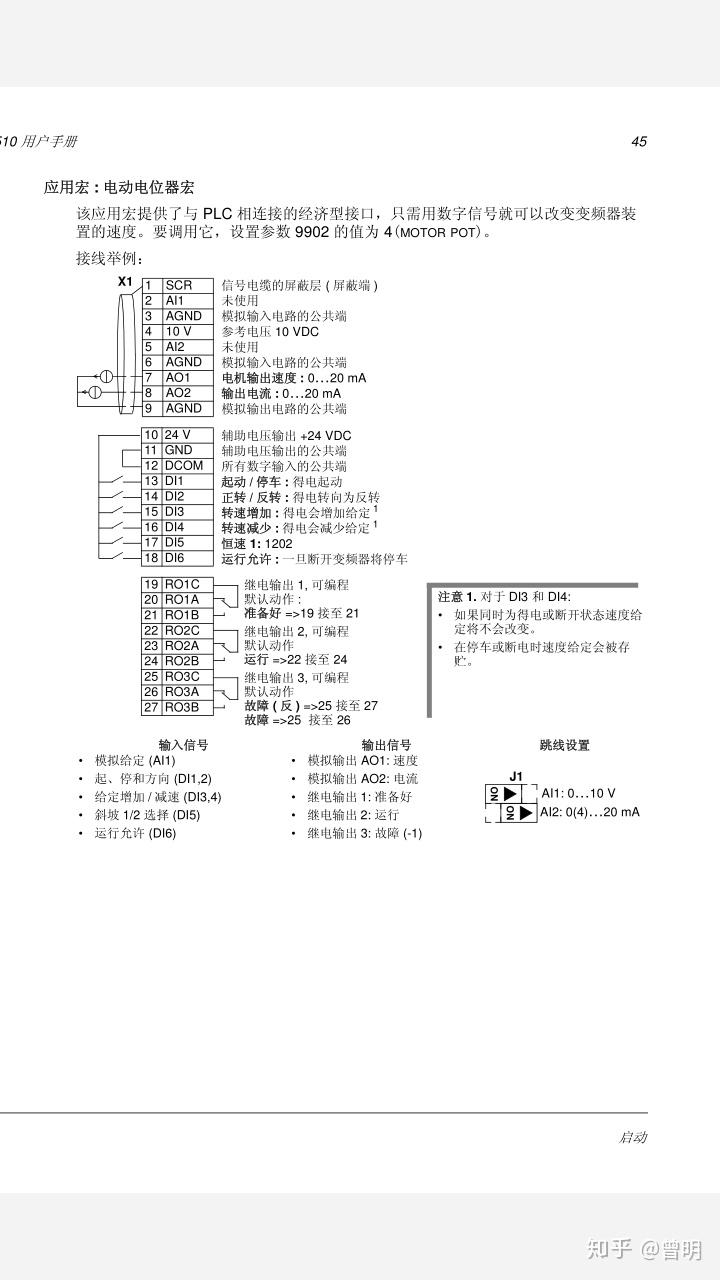
关于abb acs510变频器用9902电动电位器宏时怎样定义di5和di6端子分别
图片尺寸720x1280
abb510变频器做恒压供水的接线方法与参数
图片尺寸1600x1280
南充acs510系列变频器
图片尺寸584x559
abbacs510系列变频器通用接线图和参数表
图片尺寸1434x334
abb acs510系列变频器通用接线图和参数表.doc
图片尺寸800x1132
跪求abbacs510变频器pid宏其他参数改如何设置
图片尺寸525x495
abb acs510变频器的外部频率控制信号和频率反馈信号怎么接线?
图片尺寸1092x513
变频器 我想问一下各位大哥关于acs550变频器中的宏定义里面接线中(如
图片尺寸563x469
abbacs510一拖二电路图
图片尺寸927x618
图一 acs510变频器modbus接线
图片尺寸640x288
abb变频器acs510系列恒压供水接线图及参数设置
图片尺寸800x640