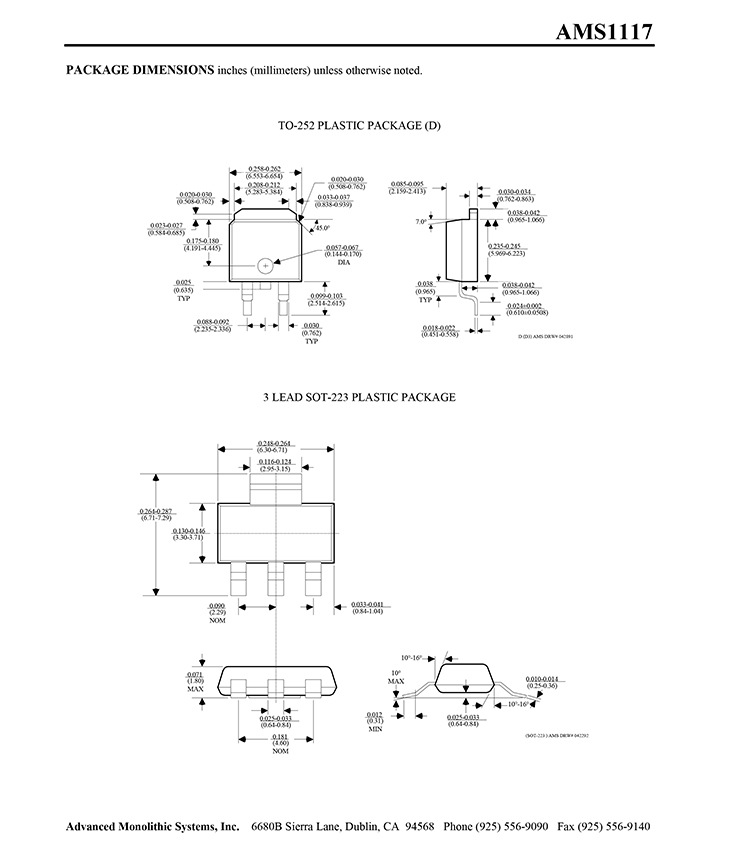
ams1117封装图

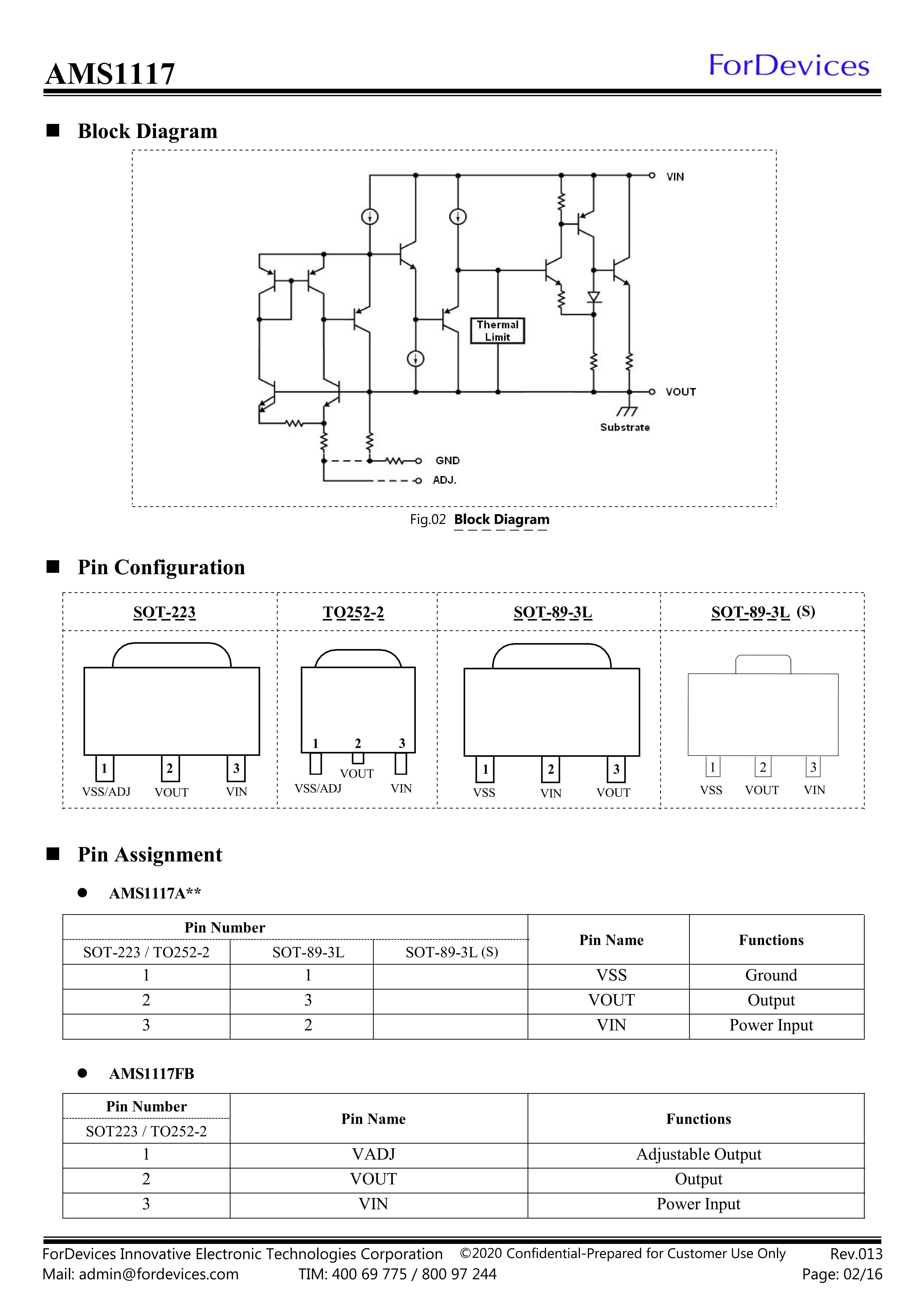
ams1117 稳压芯片原理图实物管脚图以及接法
图片尺寸700x551
ams1117-3.3v电源稳压芯片低压差线性稳压器
图片尺寸640x387
ams111733v电源模块的基本使用
图片尺寸834x791
ams1117-3.3接线原理及如何接线
图片尺寸1191x1685
ams1117cd-adj ams1117 封装to-252 可调稳压芯片 全新现货-阿里巴巴
图片尺寸1920x1920
sot-89-3l,sot-223-3l,to-252-2l封装形式● 网络路由器● ott播放
图片尺寸4764x6735
型号规格型号安装类型应用领域补充参数产品系列封装规格输出电压( v
图片尺寸360x360
ams1117-adj 1.2/1.5/1.8/3.3/5.
图片尺寸360x360
3 稳压器(恒压变压器) ams 封装sot223-阿里巴巴
图片尺寸360x360
ams1117-3.3v 电源模块 (ad设计硬件原理图 pcb 3d封装库文件)
图片尺寸626x255
ams1117-3.3 线性稳压器(ldo) 原装正品ams/艾迈斯 封装sot-223-3
图片尺寸800x793
5v 电源稳压芯片 封装sot223 ams117-2.
图片尺寸750x750
ams1117封装尺寸图_ams1117引脚图及功能 - 全文
图片尺寸676x412
ams1117封装图
图片尺寸569x360
0稳压芯片,to-220封装尺寸:ams1117-5.
图片尺寸727x520
供应集成电路稳压ic ams1117-1.8 贴片封装sot-223低价现货
图片尺寸316x389
5v 封装sot223 贴片电源稳压芯片 三端稳压芯片 20个
图片尺寸800x800
「器件应用」ams1117|1.0a ldo 稳压器电路
图片尺寸4764x6735
封装: sot223 样品包装: 5pcs加入样片单 描述: ams1117
图片尺寸400x400
8v 2.5v 5v
图片尺寸750x842