as19ap蓝牙芯片引脚图

第六届立创电赛蓝牙50桌面功放
图片尺寸908x474
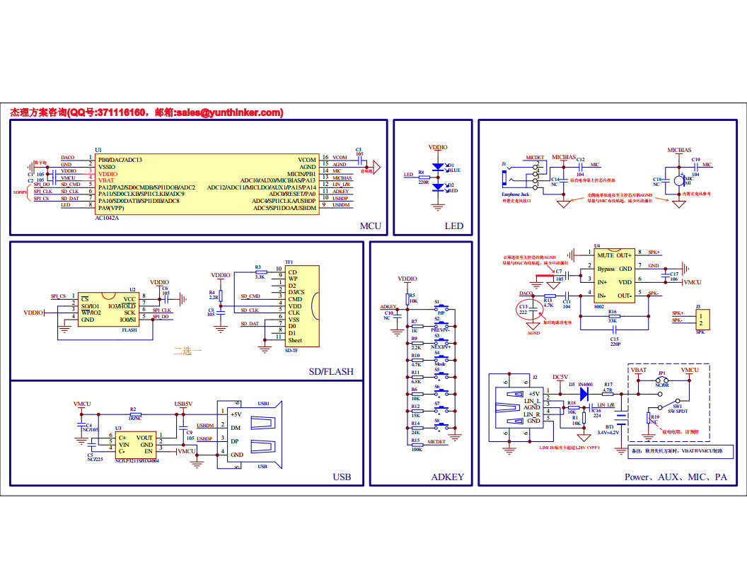
杰理芯片ac1042a蓝牙芯片特点和原理图
图片尺寸1056x816
杰理新出蓝牙耳机芯片ic ac6973 超小封装 零功耗 tws立体声方案
图片尺寸701x641
as19ap蓝牙芯片引脚图工程师还在使用滑动变阻器out了这个数字电位器
图片尺寸573x286
(2)sch与pcb▲ 芯片的外观adtest2020stcteststc15w-161.
图片尺寸1080x567
一根线满足数据传输和供电需求,众享科技九款poe芯片打造高效能源解决
图片尺寸1191x1684
一体蓝牙模块方案_主机使用流程以及开机返回信息说明_芯片_指令_上电
图片尺寸1052x583
中兴这款摄像机内置的poe供电芯片来自众享科技,型号as7800,采用sop-7
图片尺寸700x467
0无损解码芯片 ac6925b 蓝牙主控 无线蓝牙开发定制
图片尺寸1348x803
这款芯片还提供上电软启动功能以及包括逐周期限流保护,vdd过压保护
图片尺寸700x1037
2sa738 pdf下载及第3页内容在线浏览
图片尺寸969x1049
拆解报告skyworth创维400万智能双光全彩网络摄像机sksi54ds4ap
图片尺寸700x467
一体蓝牙模块方案_主机使用流程以及开机返回信息说明_芯片_指令_上电
图片尺寸883x380
构建智能连接众享科技as7800poe供电芯片全解析
图片尺寸1200x800
jl杰理ac6921a蓝牙芯片5.0立体声wma tws无损解码mp3方案免费开发
图片尺寸800x800
hc-05蓝牙模块方案
图片尺寸620x572
as系列扩展as08am/an/as16ap/an/am/32am/an/64am/an数字量 as16ap11p
图片尺寸350x350
ap8003非隔离交直流转换芯片5v
图片尺寸621x382
这些电源管理芯片少不了|gd|蓝牙耳机|无线耳机|tws耳机_网易订阅
图片尺寸576x341
拆解报告skyworth创维400万智能双光全彩网络摄像机sksi54ds4ap
图片尺寸700x467