at24c02引脚图

谁有清晰的at24c02,74hc164引脚封装图 要清洗的
图片尺寸836x418
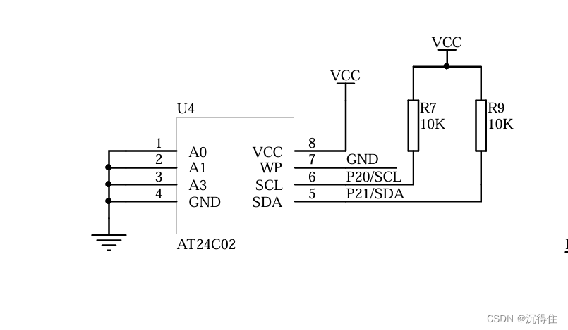
参考电路a0-a2引脚为芯片地址,用于多器件工作模式;sda,scl分别为iic
图片尺寸535x287
at24c02芯片引脚配置
图片尺寸915x634
at24c02详解(蓝桥杯单片机模块(iic总线))
图片尺寸269x204
1,首先看at24c02芯片的引脚说明
图片尺寸1057x480
i2c专题(二)—— stm32驱动at24c02
图片尺寸546x305
24c02引脚图.jpg
图片尺寸500x532
信息存储介质:e2prom通讯接口:i2c总线容量:256字节2,引脚及应用电路3
图片尺寸595x347
元件引脚如下:先说连接方法:最终在 https://github.
图片尺寸717x488
蓝桥杯at24c02运用iic总线
图片尺寸805x469
引脚介绍a0,a1,a2是地址的编程位.wp为写保护输入端.
图片尺寸561x409
【基于rfid的门禁系统】
图片尺寸369x234
24c02原理图及应用程序
图片尺寸579x363
at24c02a引脚图
图片尺寸347x263
药商免费送的老年评书机拆机杰里篇
图片尺寸1000x688
3 i 2c总线密码存储芯片at24c02介绍 图2-3 at24c02 引脚图 (1)引脚
图片尺寸1434x399
基于stc12单片机的24c02程序自己写的高质量代码
图片尺寸276x340
i2c总线协议(at24c02)程序
图片尺寸431x245
基于51单片机iic通信的at24c02学习笔记
图片尺寸435x254
at24c
图片尺寸579x323