b0505ls1w引脚图

微功率dcdc电源模块b0505s1w
图片尺寸561x283
产品中心ib1212s2w
图片尺寸446x224
dc电源模块 5v转5v b0505ls 带短路保护 1wr2 - 爱购网
图片尺寸800x800
电源作为电子系统中的心脏器件,如果"心脏"停止跳动
图片尺寸574x241
b0505ls1wr2
图片尺寸1240x1754
b0505ls-1w
图片尺寸1240x1754
b1203(x)t-1w ,b1205(x)t-1w ,b1212(x)t-1w ,b1215(x)t-1w ,b1224(
图片尺寸538x620
可完全替换如我司产品zmr0505s-1w可完全替换b0505ls-1w,且我司
图片尺寸600x736
安防监控电源模块
图片尺寸1453x823
激光微加工系统激光打标机激光焊接机激光切割机400热线:400-885-0505
图片尺寸900x700
电源隔离以b0505隔离芯片为例其中c1取4.7uf,c2取10uf.
图片尺寸864x428
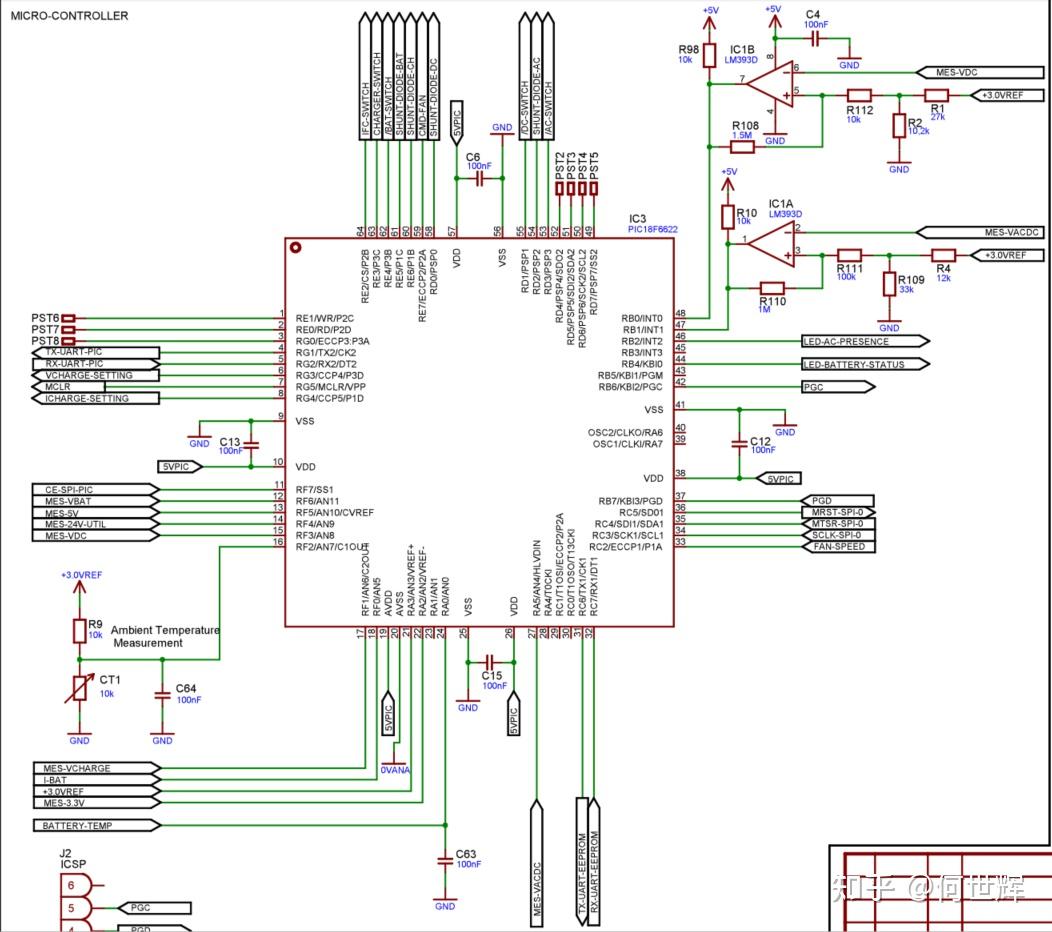
009美敦力呼吸机rb0505电源管理板原理图解析
图片尺寸1052x932
上海晶丰明源的 dc-dc 芯片 bpd60312 支持者也非常多,它是一款集成
图片尺寸838x632
if0505ls1w
图片尺寸1240x1754
其主要引脚功能为:refclkp
efclkn:参考时钟输入端.
图片尺寸1384x555
ymt-3w&wrb-ymt-3w series outline dimensions & footprint detais
图片尺寸827x1169
财务管理第五章0504资本成本概述0505个别资本成本的计算t:19:40~21
图片尺寸1080x1439
国产dc/dc芯片,工程师这么看
图片尺寸700x442
适用于联想 lenovo 小新air 14 2019 风扇bapb0505r5hbapb0605r5h
图片尺寸1365x756
厂家直销兼容b1205ls-1w dc-dc模块电源 dcdc隔离模块 zmr1
图片尺寸708x762