bit3267背光原理电路图

lcd背光灯升压电路
图片尺寸978x478
背光亮度控制电路
图片尺寸482x386
无忧文档 所有分类 工程科技 电子/电路 液晶屏背光板工作原理及维修
图片尺寸1080x810
液晶屏背光led驱动电路图
图片尺寸661x433
mp3显示屏背光升压电路图.png
图片尺寸765x501
一种背光调节保护电路液晶显示模组和电子终端的制作方法
图片尺寸1000x901
无忧文档 所有分类 工程科技 电子/电路 液晶屏背光板工作原理及维修
图片尺寸1080x810
一种笔段式lcd液晶显示屏使用的背光控制电路
图片尺寸1346x1134
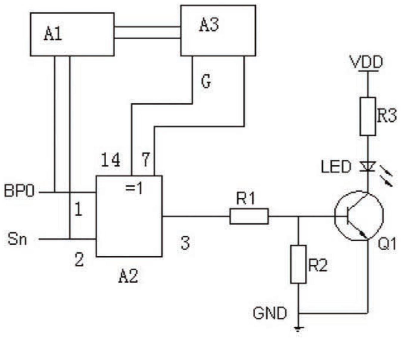
一种液晶屏背光电流匹配电路
图片尺寸1739x1559
是液晶显示屏背光灯供电电路,它采用bit3106芯片作开关振荡集成电路
图片尺寸1194x1020
图1 液晶屏背光模块的电路原理图图2 主程序流程图图3 中断控制程序
图片尺寸1221x762
液晶彩电背光板工作原理与检修(上)
图片尺寸1566x1187
背光升压电路原理图
图片尺寸1524x586
led驱动电路原理图
图片尺寸1089x463
z7的背光驱动实际电路图.jpg
图片尺寸685x532
液晶屏背光板 工作原理及维修
图片尺寸729x453
背光ob3363qp电路图,ob3363qp电路图_大山谷图库
图片尺寸737x376
一种基于dcdc电源ic设计的led背光驱动电路
图片尺寸2594x1305
背光驱动电路的制作方法
图片尺寸1000x529
它主要由背光控制电路,驱动输出与高压形成电路,保护检测电路组成.
图片尺寸3016x2052