bp2857d电路图

bp2856方案led驱动
图片尺寸828x923
ca和bp3337da电源芯片实现隔离无频闪非隔离电源的方案-电子电路图
图片尺寸829x479
下载一个数据手册跟着搭建电路就ok.
图片尺寸1242x651
2857_939gif 动态图 动图
图片尺寸2857x939
aic2857&mps1482对比测试.doc
图片尺寸993x1404
ha1377音频功率放大电路
图片尺寸392x280
bp2335j
图片尺寸645x318
jtbp2857d是高精度降压型led恒流驱动芯片.
图片尺寸259x201
飞利浦37/42pfl3403液晶彩电电源板开关电源部分电路原理图
图片尺寸2857x4133
2857_1780
图片尺寸2857x1780
bp3106典型应用电路图:bp3106用于其它led照明bp3106用于led日光灯bp
图片尺寸647x351
2857_1236gif 动态图 动图
图片尺寸2857x1236
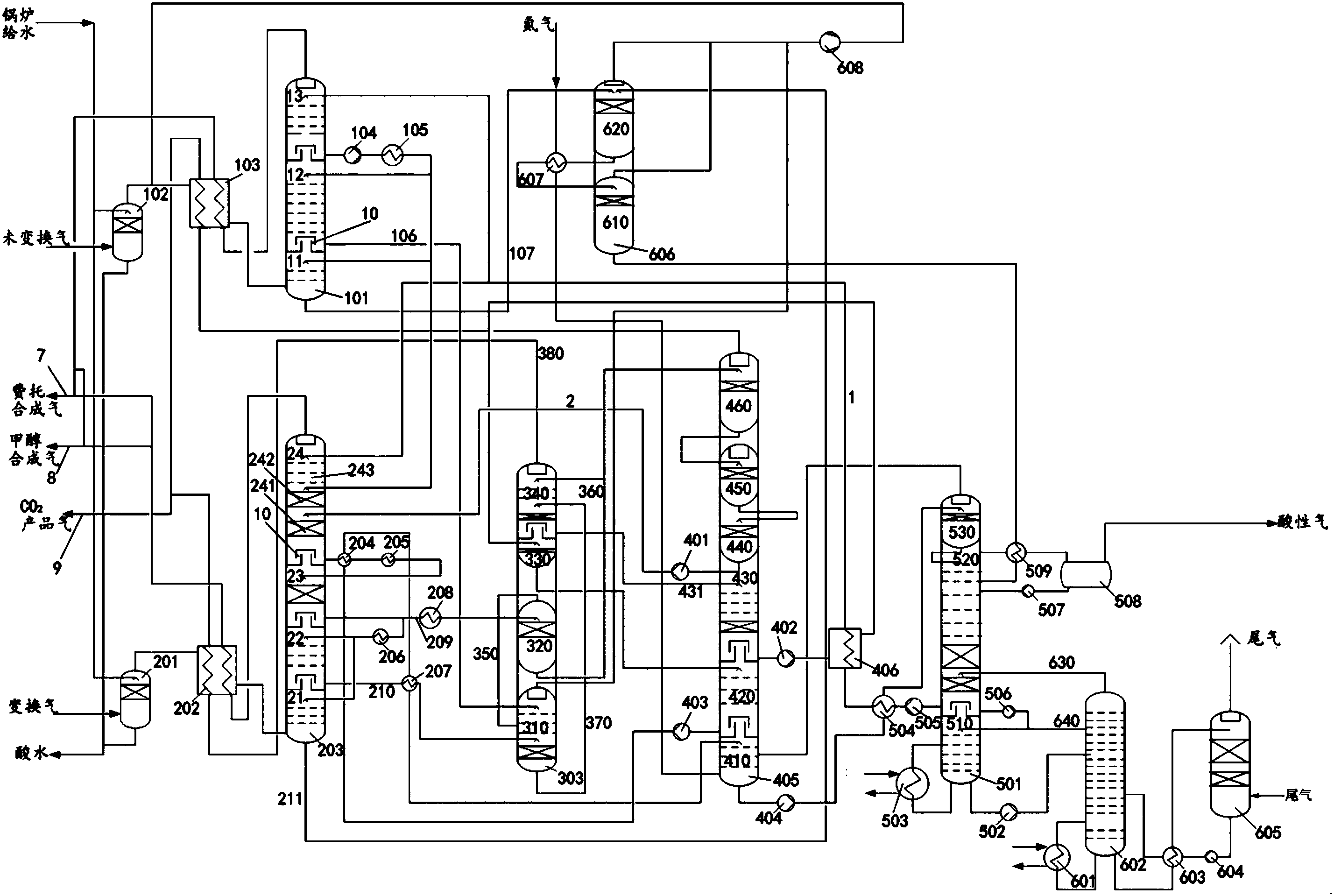
2857_1699
图片尺寸2857x1699
202235减脂日常d4
图片尺寸1080x1080
2857_1919
图片尺寸2857x1919
1279_2857竖版 竖屏
图片尺寸1279x2857
tlv320aic23
图片尺寸268x226
25 半 msop-8, dfn-8 ltc2857-1 20 全 msop-8, dfn-8 ltc2857-2 0.
图片尺寸807x747
900_2857竖版 竖屏
图片尺寸900x2857
pwm控制芯片则是同样来自芯源系统,不过技嘉用了一颗mp2857和两颗mp
图片尺寸1270x845