bp2861电路图

bp2861xj 非隔离降压型 led 恒流驱动芯片 无vcc电容
图片尺寸745x352
关于bp286xj系列应用分析
图片尺寸1080x508
晶丰bp2866应用原理图
图片尺寸920x651
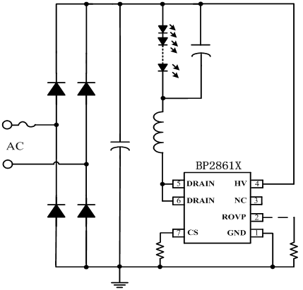
bp2861x|集成续流二极管,轻松实现方案升级
图片尺寸429x411
50w省vcc电容led驱动方案之bp2867g-电子电路图,电子技术资料网站
图片尺寸869x463
bp2886d bp2866d带pwm恒流,无频闪省vcc
图片尺寸771x555
bp2863xj非隔离降压型led恒流驱动芯片的中文数据手册-电子电路图
图片尺寸833x583
bp2863mj典型应用电路
图片尺寸636x511
bp2866xj非隔离降压型led恒流驱动芯片
图片尺寸909x590
请高手帮我分析分析这个电路图,要详细的!谢谢了
图片尺寸960x520
高频变压器的详细资料介绍-电子电路图,电子技术资料网站
图片尺寸977x668
2861_1176
图片尺寸2861x1176
升压芯片很简单(三),fsb628升压芯片大串讲_电容_输出_电感
图片尺寸640x268
cn201811134u_可发出多种色光的led灯失效
图片尺寸1993x1198
2861_1876gif 动态图 动图
图片尺寸2861x1876
供应pam2861led驱动ic降压转换器
图片尺寸362x271
调光电路图
图片尺寸725x553
1661556642921.png
图片尺寸566x265
led跑马循环流水灯 pcb电路板
图片尺寸650x398
典型应用电路01.png
图片尺寸727x356