bsh17高压包参数

料,虚标夸大实际功率;盗用知名企业的图片介绍,将自己的伪劣产品包装
图片尺寸750x1042
undefined
图片尺寸750x1222
产/ 品 / 介 / 绍
图片尺寸597x811
逆变焊机高压包 等离子切割机高频引弧高压包bsh-17焊机维修配件
图片尺寸800x800
高压包品牌销量排行榜前十名优惠券「top10」
图片尺寸1440x1080
江苏常州厂家 三相全铜线包全密封油浸式变压器s13-500kva 10kv级
图片尺寸1031x794
扬州邦博电气有限公司
图片尺寸700x905
重庆变压器厂家供应s13-m-800kva油浸式变压器10kv变压器厂家
图片尺寸750x566
产品参数
图片尺寸651x800
4kv 环保油浸式电力变压器三相配电变压器
图片尺寸790x1052
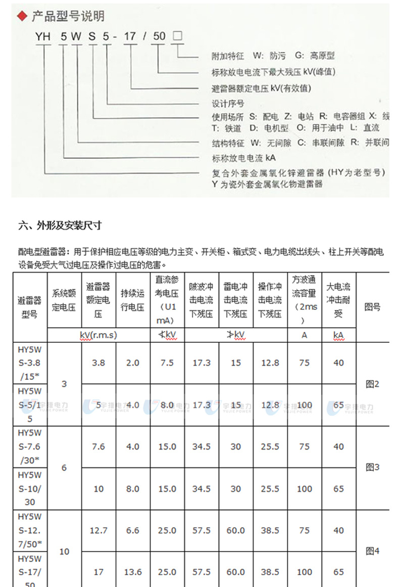
宇捷10kv高压避雷器yh/hy5wz-17/45电站型复合金属氧化锌避雷
图片尺寸790x1161
10kv级scb13系列环氧树脂干式变压器参数
图片尺寸780x575
doctype html> html> head> meta http-equiv="content-type" co
图片尺寸640x587
2013b02图片价格
图片尺寸700x952
国标高压支柱绝缘子zsw-10/4
图片尺寸750x927
rl/s11-m.rl 立体三角卷铁芯电力变压器
图片尺寸1000x1328
hd900l-包装印刷产业网
图片尺寸661x715
r134a-hbp/hmbp系列压缩机(商用)
图片尺寸2077x1205
产品参数
图片尺寸850x936
北流不锈钢灌溉泵cdlf32-160-2价格
图片尺寸800x1147