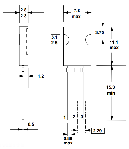
bt134引脚图

bt134,bt134 pdf中文资料,bt134引脚图,bt134电路-datasheet-电子工程
图片尺寸827x1169
bt134 4a四象限双向可控硅
图片尺寸378x435
国产bt134 三端双向可控硅 双向晶闸管 600v 4a.
图片尺寸419x482
bt136和97a6可控硅管脚顺序
图片尺寸640x512
triac bt134 scr bt 134 triac thyristor
图片尺寸678x514
报警设备 - 热门商品专区
图片尺寸700x779
全新原装厂家直销双向不结缘可控硅 bt137-品基
图片尺寸595x842
bt137-600cw to-220c 双向可控硅 榨汁机专用
图片尺寸825x568
bt134中文.pdf
图片尺寸800x1132
bt134-600
图片尺寸565x507
mb39a134 锂电池充电管理ic电路引脚图mb39a134 是一款用于锂离子电池
图片尺寸374x473
【飞利浦半导体产品speci fi cation双向可控硅bt134系列概述在一个
图片尺寸850x1100
bt137s-600g,118;bt137s-600,118;bt137s-600f,118;bt137s-800f,118
图片尺寸768x161
北大青鸟消防广播输出模块jbf4143接线示意图
图片尺寸789x392
sbr13003b pdf下载及第5页内容在线浏览
图片尺寸839x1447
贴片bt134_双向可控硅_bt134_可控硅导通条件_可控硅引脚_宇芯微
图片尺寸562x727
bt134三端双向可控硅
图片尺寸950x966
供应可控硅170m6145每日特惠
图片尺寸894x636
各种不同封装形式的单双向可控硅引脚图
图片尺寸707x169
bt139
图片尺寸963x1492