cad中销钉的画法

304不锈钢内螺纹圆柱销 内牙销子销钉带孔定位销gb120 规格=直径*长度
图片尺寸640x312
齿轮|螺纹|平键|方向|键槽|销钉_网易订阅
图片尺寸546x281
佰瑞特 304不锈钢销轴平头带孔圆柱销定位销 销钉m3 m4 m5 m6 m8 m10
图片尺寸515x434
最后,赛凌斯小编为大家介绍一下什么是幕墙弹簧销:一种弹簧销钉,包括
图片尺寸750x750
赛凌斯定位销钉助力深圳智慧能源产业园
图片尺寸976x627
系统门窗的销钉注胶工艺到底是怎样的
图片尺寸640x710
包括平面形搭接,正交连接等,常见的胶接平面(b)销钉连接图1机械连接
图片尺寸788x516
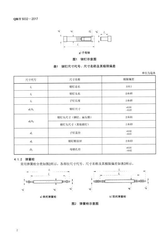
qb/t 5032-2017
图片尺寸537x783
要在圆柱体上打两个180度的孔,怎样可能保证打的直呢_精度_铣床_加工
图片尺寸739x469
扣机是个什么鬼?做模具设计的想半天
图片尺寸466x355
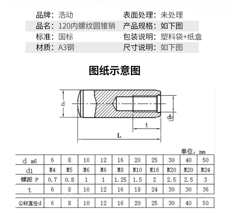
静璇gb/t118高强度内螺纹圆锥销a3钢定位销锥度销销钉 φ16-φ20 16*
图片尺寸790x727
机械制图公差与配合以及标注办法值得一看
图片尺寸548x286
国家标准包装容器钢桶第6部分柱锥形开口钢桶标准立项获批
图片尺寸700x954
解放者的右手vs自由世界的右手,ak和fal步枪,谁的设计更优秀?
图片尺寸800x600
离心风扇叶标准做法总结|齿轮|镶件|顶针|销钉|下模|前模_网易订阅
图片尺寸619x488
芳腾304不锈钢gb879弹性圆柱销弹簧销子定位销m2m2.
图片尺寸800x600
销钉用在哪里?看完本篇"断桥铝合金门窗加工工艺步骤全详解"就知道了.
图片尺寸500x301
离心风扇叶标准做法总结|齿轮|镶件|顶针|销钉|下模|前模_网易订阅
图片尺寸660x450
轴用c型弹性挡圈的作用|轴向|间隙|轴上|配件|销钉_网易订阅
图片尺寸660x570
【技术连载】《纺纱学》— 粗纱 -6
图片尺寸660x381