cad箍筋怎么画
 - 基础次梁箍筋计算实例图片尺寸806x494
 - 内侧小箍筋长度计算公式推导图片尺寸498x410
 - 4肢箍筋内箍怎么计算图片尺寸355x320
 - 框架柱平法11箍筋的计算1图片尺寸1018x644
 - 两端外伸基础主梁箍筋计算图片尺寸734x758
 - 第一步:首先看cad原设计图:约束边缘构件附加箍筋现场施工中很常见,在图片尺寸469x593
 - 框架柱平法3纵筋和构件的构造图片尺寸1080x540
 - 箍筋的根数图片尺寸199x96
 - 框架柱平法11箍筋的计算1图片尺寸1080x410
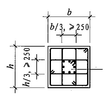
 - 土木吧丨复合箍筋怎么配图片尺寸554x388
 - 暗柱奇偶数箍筋如何设置图片尺寸773x874
 - 1,常见的梁箍筋形式:答:肯定是需要修改的,你看看这些图就知道箍筋图片尺寸560x201
 - 4肢箍筋内箍怎么计算图片尺寸1166x490
 - 三向箍筋:好像只适用于独桩承台钢筋,就像魔方一样几面都是按箍筋做法图片尺寸646x644
 - 这两个节点怎么选择呢?这个就要分边角柱,如图13所示.图片尺寸1080x531
 - 箍筋:保证纵向钢筋的位置正确,又防止纵向钢筋压曲,从而提高柱承载图片尺寸640x473
 - 6,箍筋 箍筋长度=(梁宽-2×保护层 梁高-2×保护层) 2×11.图片尺寸325x331
 - 1,箍筋长度的计算这个图纸很清楚,箍筋的组合方式已经给画出来了,是一图片尺寸931x711
 - 4肢箍筋内箍怎么计算图片尺寸257x216
 - 人防工程五大部分质量检查要点及常见问题分析,案例图做的也太棒了!图片尺寸785x459