cc2530芯片

cc2530 解决方案专为改善消费者日常生活的新兴低功耗 rf 应用量身
图片尺寸1500x1200
cc2530芯片介绍
图片尺寸372x381
cc2530介绍ppt
图片尺寸1080x810
原装cc2530f256rhar封装qfn40射频无线收发器芯片ic图片
图片尺寸800x800
原装电子元件zigbee rf收发器芯片cc2530f256rhar cc2530 ic rf txrx
图片尺寸300x300
vqfn-40cc2530f32rhat无线收发芯片加入收藏商品
图片尺寸300x300
金宏扬科技 cc2530f256rhar soc 2.4ghz ti 集成电路ic芯片图片
图片尺寸704x704
原装cc2530f256rhar cc2531 2540 2541 贴片qfn40 无线射频芯片ic
图片尺寸800x800
cc2530 单片机 - 知乎
图片尺寸972x475
信驰达cc2530无线射频模块
图片尺寸1000x876
cc2530f256rhar
图片尺寸1200x1200
cc2530f256rhar射频芯片
图片尺寸750x750
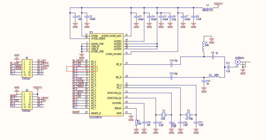
cc2530em 参考设计
图片尺寸2330x1898
ti(德州仪器) cc2530f256rhar rhat 无线射频芯片
图片尺寸800x800
使用gpio输出控制led亮灭(cc2530)
图片尺寸1031x548
zigbee无线模块cc2530芯片组网模块传感物联网24g透传
图片尺寸1000x750
cc2530芯片/cc2530f256rhar原装ti芯片z
图片尺寸750x449
仪器ic cc2530f256rhar 无线射频芯片-阿里巴巴
图片尺寸657x515
cc2530f256cc2530f256rhar无线射频芯片qfn40全新进口原装集成电路(ic
图片尺寸1920x1441
全新原装cc2530f256rharqfn40rf收发器控制器芯片芯片
图片尺寸800x800