cd4051

cd4051引脚功能图
图片尺寸1080x810
使用cd4051模拟切换开关进行ad采样的问题求解(已解决)
图片尺寸660x348
ic芯片cd4051be dip16全新进口现货模拟多路复用器多路解复用器
图片尺寸800x800
cd40518通道数字信号控制模拟开关引脚图原理图
图片尺寸560x354
急求cd4051的正确电路连接!
图片尺寸814x410
压力传感器的高精度数据采集
图片尺寸652x403
cd4051芯片管脚图谁知道?
图片尺寸371x222
cd4051b cd4052b cd4053b po_1_cd4052b.gif
图片尺寸906x491
!doctype html> html lang="en"> head> meta charset
图片尺寸1500x995
cd4051引脚图真值表与引脚功能介绍
图片尺寸332x222
关于cd4051通道选择后,经过运放问题时候没有输出
图片尺寸1024x404
cc4051
图片尺寸525x283
这是模拟信号输入处理部分,单片机控制模拟开关 (cd4051)选择放大器的
图片尺寸1288x484
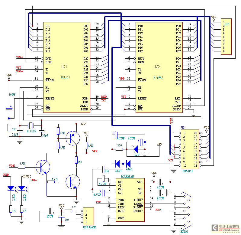
生产的at89c51,c52,c55和最新的s51,s52;at89c1051,2051,4051等芯片
图片尺寸798x777
cc4051/cd4051引脚夫图及真值表异或逻辑符号值表下面是 [异或门与同
图片尺寸451x190
一款多路传输数位输出的周期计数器电路图
图片尺寸829x542
cd4051中文资料管脚功能参数使用介绍doc
图片尺寸920x1302
展_电路
图片尺寸909x983
原装正品 cd4051be 封装dip-16 模拟开关 多路复用器芯片
图片尺寸1245x810
cd4051bm96 3 v至20 v soic-16多路复用器8通道
图片尺寸800x800