cob直控按钮开关接线图

cob21直控开关单相怎样连接电源及电机?
图片尺寸1821x850
金属按钮开关接线图
图片尺寸600x450
开关按钮怎么接线
图片尺寸500x489
la4按钮开关(两个按钮)的三相线接法!有线路图更是感激不尽!
图片尺寸439x586
按钮开关控制常闭接触器接线图
图片尺寸720x540
厂家直销按钮开关接线盒bx5孔径22
图片尺寸550x367
按键开关怎么接线
图片尺寸535x525
按钮开关接线图
图片尺寸633x548
按钮开关怎么接线?按钮开关接线图
图片尺寸565x374
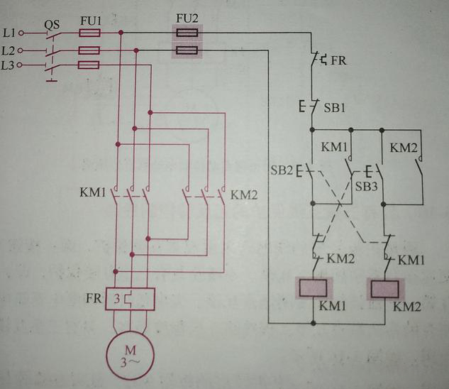
一台电机连接两个按钮开关线路的方法讲解
图片尺寸640x475
依爱手动按钮接线图
图片尺寸871x453
大电流金属按钮开关 黑色 16mm10a 带灯自锁式自复位防水万度正品
图片尺寸750x1684
开关接线图实物图单控开关每一个按键可以接两
图片尺寸600x434
门禁出门按钮开关接线方法
图片尺寸547x275
一开一闭按钮开关接法
图片尺寸500x346
双控按钮开关的几种接线方法
图片尺寸450x317
按钮开关按压式自复位la38-11bn自锁一开一闭启动停止圆形点动
图片尺寸750x937
金属按钮开关接线图
图片尺寸474x355
按钮开关,按键开关 台灯开关_接线图分享
图片尺寸420x274
电工必备—最全的开关接线图,单控,双控,三控
图片尺寸893x467