cuk电路

cuk电路参数计算_cuk电路基本结构
图片尺寸579x292
电力电子cuk斩波电路ppt
图片尺寸800x450
一种宽输入电压隔离型cuk变换器拓扑电路的制作方法
图片尺寸1000x455
库克电路 cuk型电路输出波形
图片尺寸1654x2339
a,4uhb,8uhc,20uhd,50uh5,cuk电路中当占空比取值在下列哪个范围内时
图片尺寸705x284
改进型cuk交交斩波调节的交流稳压器
图片尺寸1803x639
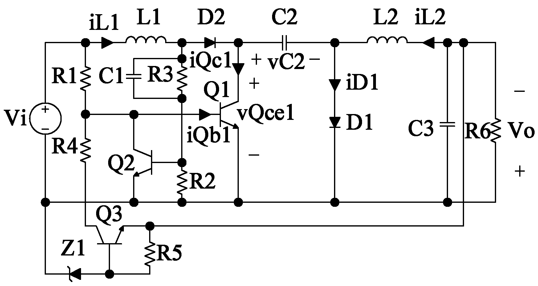
双极型晶体管型自激式cuk变换器
图片尺寸1746x928
基于3843的斜率补偿光耦cuk设计
图片尺寸819x470
一种改进型cuk交交斩波升压调压电路及其应用的制作方法
图片尺寸1000x305
基于3843的斜率补偿光耦cuk设计
图片尺寸1040x438
干货bcuk电路讲解工作原理图文结合通俗易懂带你搞定
图片尺寸773x770
牛人总结的开关电源电路图必须收藏
图片尺寸566x396
电力电子技术 直流斩波电路ppt
图片尺寸1080x810
一种基于psm模式的cuk转换器的控制电路制造技术
图片尺寸1000x765
dcdc斩波电路(7) - cuk,speic,zeta斩波电路 07/07
图片尺寸1728x1080
干货bcuk电路讲解工作原理图文结合通俗易懂带你搞定
图片尺寸945x497
功率电感:升降压与cuk斩波电路模块比较
图片尺寸378x181
2)电路工作在稳态;1)所有的开关元件都是理想的;为简化分析,先假定
图片尺寸603x423
cuk变换器电路
图片尺寸1105x808
5版课本仿真升压降压斩波电路cuk斩波电路sepic斩波电路zeta斩波电路
图片尺寸386x180