d100e60电路图

本安电路原理图
图片尺寸847x1392
利德牌ld-1型磁脉冲治疗仪电路
图片尺寸1476x1141
格力变频开关电源电路图
图片尺寸916x539
六线制单动道岔控制电路图
图片尺寸920x551
杰科gk-310a型dvd机的开关电源电路
图片尺寸1139x905
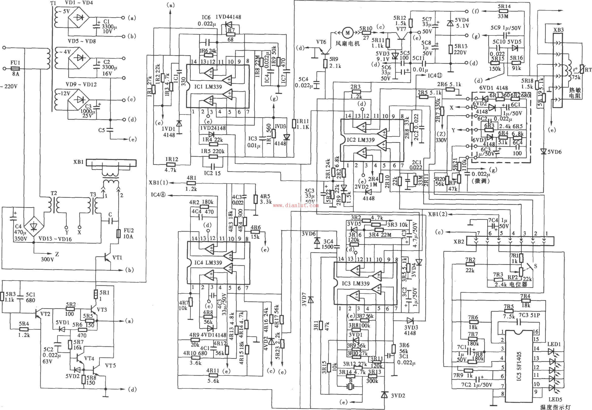
海乐dzc-1000w型电磁炉电路
图片尺寸2333x1619
巨鹰ge8870bdvbc有线电视机顶盒电源电路工作原理与代换
图片尺寸2497x1908
通信电路电源使用专用的直流140v电压,,电路设在室外机主板上
图片尺寸2587x1655
金灶s100电路图-功率板
图片尺寸2146x1487
kbe-916移动dvd电源适配器原理与检修
图片尺寸1810x1460
dap6adas001电路图
图片尺寸1892x853
ncp1200p60 应用电路
图片尺寸733x227
5,产品简介aim-d100-es 型直流绝缘监测仪主要用于在线监测直流不接地
图片尺寸640x478
合并_电路
图片尺寸1433x1878
半自动可用绿米p100或者全自动h100,带猫眼,省钱就用a100或者d100,做
图片尺寸1080x900
d类功放开关电源的设计与实现
图片尺寸1367x664
hitachi dvp-250e(dvd机电路图)
图片尺寸959x1356
福田风景车窗电路图
图片尺寸604x485
6l6g单端线路的选择
图片尺寸788x449
三星bd-p1000型蓝光dvd机电源电路
图片尺寸1647x1101