dac0832电路图

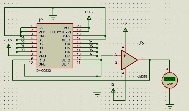
dac0832 接线电路,帮忙看看有没有问题?谢谢!
图片尺寸794x418
文档下载 所有分类 工程科技 电子/电路 > dac0832数模转换实验原理图
图片尺寸1937x857
现在把电路图改成这样了
图片尺寸997x384
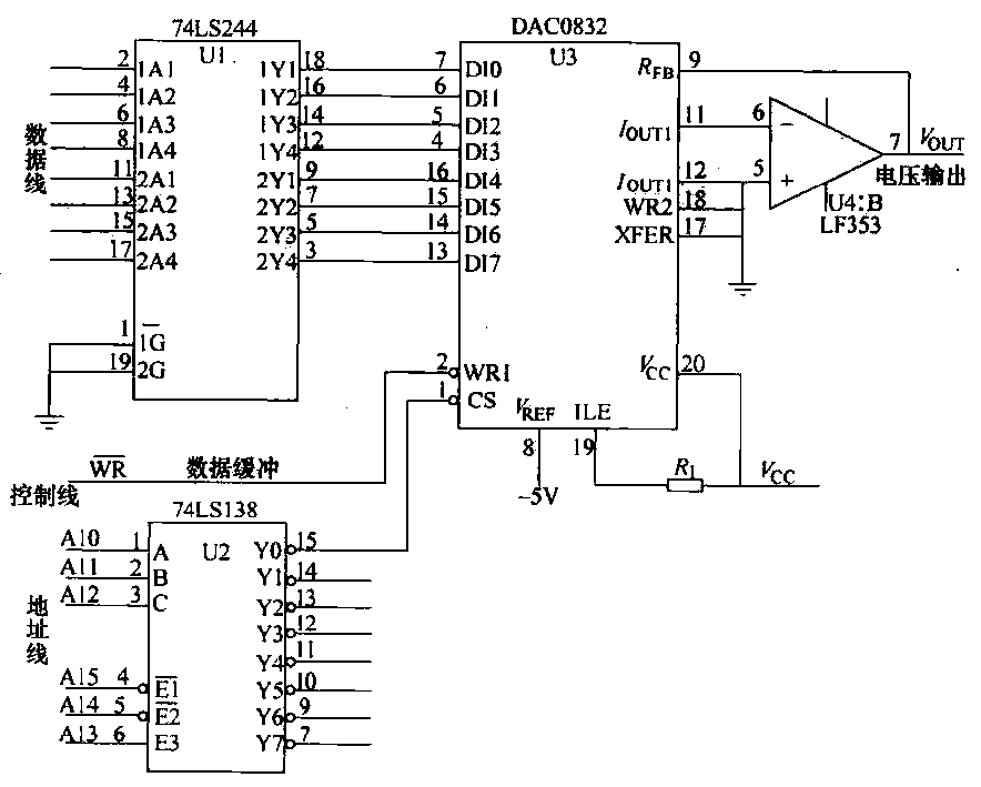
fpga与dac0832接口电路原理图
图片尺寸590x335
dac0832单-双极性电压输出接口电路–电路图–电子工程世界
图片尺寸988x455
求助大佬关于dac0832数模转换电路的问题
图片尺寸1035x639
1.使用op-amp电路将电压转换为电流
图片尺寸1075x547
dac0832与8位cpu的接口电路–电路图–电子工程世界
图片尺寸884x709
我按电路图连接
图片尺寸738x478
怎么启动?谢谢.菜鸟一个 不会看电路图.
图片尺寸425x322
dac0832
图片尺寸604x354
电路图:
图片尺寸1248x841
dac0832,要求输出电流4-20ma,求电路图
图片尺寸600x385
dac0832程序(附带电路图),可就是没实现!请问错哪了?
图片尺寸978x585
dac0832 接线电路,帮忙看看有没有问题?谢谢!
图片尺寸793x550
dac0832应用问题急求解答
图片尺寸746x316
dac0832输出的是电流,一般要求输出是电压,所以还必须
图片尺寸495x304
显示全部楼层 这是公司产品的一个电路
图片尺寸725x515
dac0832的应用电路图
图片尺寸600x498
dac0832双极性电路protel仿真
图片尺寸874x357