din916

【din916内六角凹端紧定螺丝 厂家加工定制】价格
图片尺寸906x335
【紧定din913 din914 din915 din916】_紧定din91
图片尺寸2560x1920
5din916不锈钢机米无头顶丝螺丝内六角
图片尺寸900x700
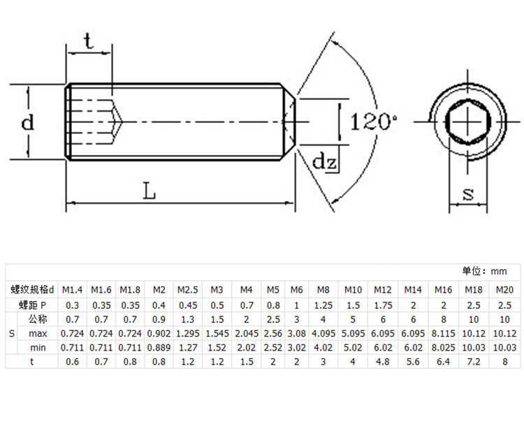
9级内六角凹端紧定螺丝(din916)
图片尺寸750x750
5mm 不绣钢304 凹端机米紧定螺钉 din916内六角
图片尺寸790x624
达克罗129级合金钢din916无头六角凹端紧定螺钉m3m4m5m6m8螺钉
图片尺寸788x661
h62黄铜din916六角凹端紧定螺钉无头头顶m2m3m5m6m8m10螺钉
图片尺寸750x610
供应din913din914din915din916gbt77t78t79t80717374
图片尺寸1024x733
9级铁黑内六角平端凹端din913din916紧定止付螺丝1.25细牙m12
图片尺寸800x537
din916不锈钢内六角平头螺钉 - buy 带杯点的内六角
图片尺寸750x750
9级合金钢din916细牙凹端紧定螺钉gb80止付无头螺丝m4-m12
图片尺寸862x378
万喜din916内六角凹端紧定螺钉
图片尺寸612x252
9级内六角无头螺丝凹端紧定机米螺丝螺钉
图片尺寸790x735
黄铜紧定螺丝din916机米铜无头内六角顶丝止付螺钉m3m4m5m6m8m10
图片尺寸800x800
304黑色不锈钢din916机米螺丝3x3 3x4 4x4高盐雾黑
图片尺寸994x803
内六角紧定螺钉din916
图片尺寸1180x885
m25m3m4m5m6m8m10黑色304不锈钢凹端紧定螺钉镀黑锌
图片尺寸790x600
304不锈钢内六角凹端紧定螺丝无头机米止付螺丝din916
图片尺寸750x762
天津市泛易紧固件有限公司
图片尺寸250x302
螺丝129级凹端紧定六角din916无头发黑机米螺钉螺钉
图片尺寸800x800