emmc飞线连接图

手机emmc当做tf卡飞线做u盘教程
图片尺寸960x540
原来做过emmc的字库u盘,现在有一块flash想做个u盘但是那8个引脚不
图片尺寸577x1024
刷机包论坛里找的一,先来一张板子全家福2,手机emmc当做tf卡飞线做u盘
图片尺寸1080x2340
rk3399emmc硬件设计要点
图片尺寸899x539
痞子衡嵌入式恩智浦imxrtxxx系列mcu启动那些事7从sdemmc启动
图片尺寸800x499
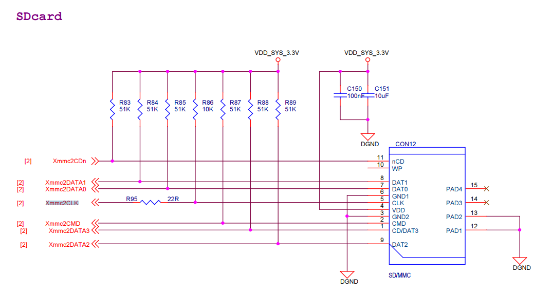
emmc电路设计之emmc上电时序设计
图片尺寸618x478
idc10母座 emmc在线读写 isp焊接线 彩色多股镀锡铜线 rt809h可选 母
图片尺寸800x1297
emmc分析
图片尺寸1074x577
手机emmc当做tf卡飞线做u盘教程
图片尺寸559x432
手机emmc改造u盘的几种方法
图片尺寸749x626
手机emmc当做tf卡飞线做u盘教程
图片尺寸380x250
rk3399emmc硬件设计要点
图片尺寸801x759
emmc的总线速率emmc51
图片尺寸933x512
部分isp液晶电视几点位图: tcl_ms801_37.png
图片尺寸640x641
主机支持usb和net连接,允许将多台编程器进行组网,达到同时控制多台
图片尺寸692x874
用emmc做个64g的u盘
图片尺寸600x600
小米盒子emmc焊盘脱落怎么办两种方法成功点亮
图片尺寸541x654
硬盘技术知识必须要了解
图片尺寸558x251
switcholed破解随拍一台oled拆emmc改机流程
图片尺寸1079x723
电子技术应用-aet-中国科技核心期刊-最丰富的电子设计资源平台
图片尺寸684x617