f1c200s引脚图

为了精华特意制作f1c200s-mp4播放器,支持硬件h264(开源板子和原理给
图片尺寸1175x843![[开源项目-记录贴]扔掉你手中的开发板,跟我来自制基于f1c100s/f1c200](https://imgs.wantubizhi.com/img/A1A61BAA66193547F3A6DD7D8EE527E9F356300C21B8AFFD827CC93454EFBDF1452968CA30D2670B0164BEB7C28C9CA33074EA786A092BB9D73941B3C65F103F86D0D6DB8556C5529A620A65C578EAD87081BCB2DAA5712C5701DC1B450E42E8)
[开源项目-记录贴]扔掉你手中的开发板,跟我来自制基于f1c100s/f1c200
图片尺寸1941x1366
f1c100s驱动st7789v的问题
图片尺寸1200x724
mcs-51单片机的引脚
图片尺寸1434x1909
yuzukicoref1超小型linux核心板
图片尺寸2048x1489
自制f1c200s demo板(一,电路)_全志f1c200s芯片引脚图-csdn博客
图片尺寸1232x866
使用全志f1c100s/f1c200s设计的小板子,板载无线联网模块,cp2102串口
图片尺寸825x640
直流小电机驱动-stm32 iot开发-开源项目及赛事-机智云
图片尺寸1389x606
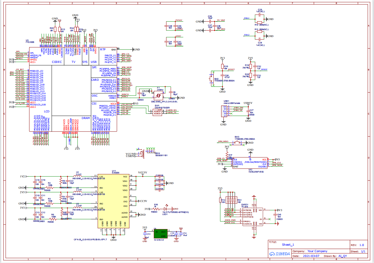
schematic_f1c200_final_2020-08-29_08-01-49.png
图片尺寸548x374
使用全志f1c100s/f1c200s设计的小板子,板载无线联网模块,cp2102串口
图片尺寸2631x1830
众人拾柴-f1c200s通过spi使用esp8089或esp8266做无线网卡 / 全志 v3s
图片尺寸1221x614
f1c200s qfn-88 主控芯片 学习机ic arm9架构 64mbyte 原装 全志
图片尺寸800x800
使用全志f1c100s/f1c200s设计的小板子,板载无线联网模块,cp2102串口
图片尺寸1091x742
开发板参数 我在网上找到了stm32f103中文手册,单片机命名原理和硬件
图片尺寸1572x1796
跟风画了个f1c200s的小板 【开源pcb】
图片尺寸1866x1112
f1c200s新核心板
图片尺寸782x670
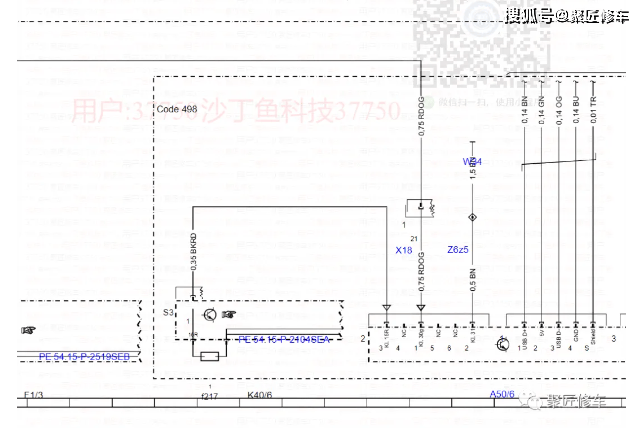
福建vito柴油奔驰c180c200c260c300gl450gl350gl400gl500维修手册电路
图片尺寸644x448
f1c200s 驱动 spi rgb 屏的接线问题
图片尺寸692x491
全志代理f1c200s芯片车机显示器车载mp3mp4视频显示模组方案开发
图片尺寸800x1066
f1c100s f1c200s 全志 a7处理器-阿里巴巴
图片尺寸360x360