fx3u-32mt/es-a接线图

1> 输入外部接线;fx3u-32mt/es-a 采用220v供电, 自带输出【24v】
图片尺寸714x693
三菱fx3u控制伺服定位案例分享
图片尺寸583x678
三菱 fx3u 系列 plc 的外围接线
图片尺寸1084x657
1> 输入外部接线;fx3u-32mt/es-a 采用220v供电, 自带输出【24v】
图片尺寸983x682
三菱fx3u与非差分型步进驱动器的接线
图片尺寸640x379
三菱 fx3u 系列 plc 的外围接线
图片尺寸848x797
三菱fx3uplc输入接线
图片尺寸558x295
fx3u使用变频器专用通信指令控制e740
图片尺寸640x324
三菱变频器接线图大汇集及参数表设置步骤
图片尺寸742x1050
新手求三菱fx3u接线图和cad图或者指点一下做法
图片尺寸527x232
供应fx3uc-32mt/d 三菱plc,可编程控制器-仪表网
图片尺寸381x259
三菱 fx3u 系列 plc 的外围接线
图片尺寸1059x398
工控无忧原创三菱fx3uplc如何控制松下伺服
图片尺寸857x613
三菱plc fx-2n -32m 的接线问题.
图片尺寸320x203
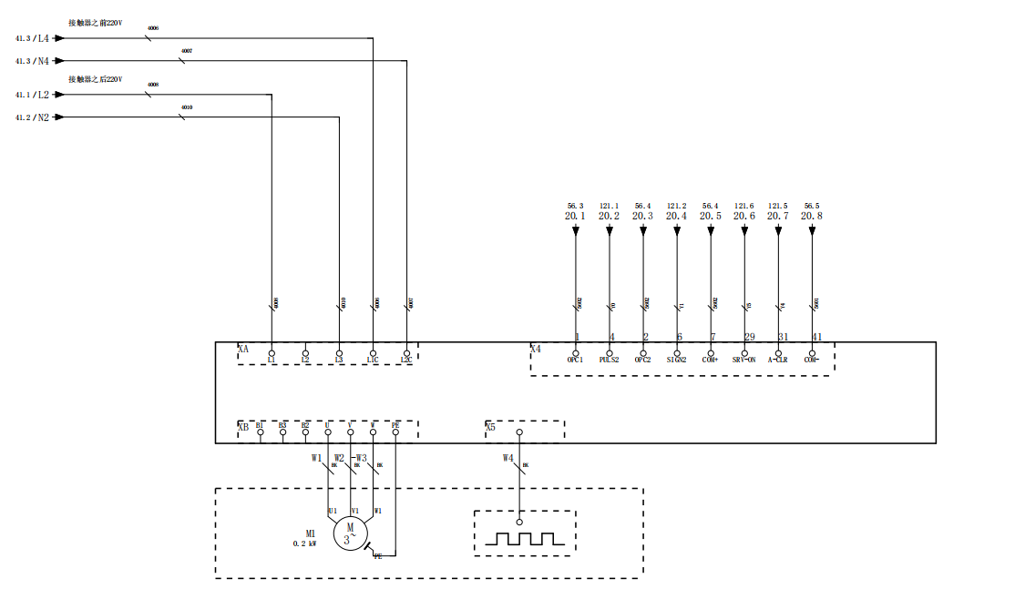
工控无忧原创三菱fx3uplc如何控制松下伺服
图片尺寸1114x647
三菱fx3u控制伺服定位案例分享
图片尺寸1156x763
三菱plc输入输出接线图
图片尺寸572x636
三菱fx3u plc与步进驱动器实物控制接线图
图片尺寸874x501
三菱fx3u系列plc输出接线图详细分析-广州友华
图片尺寸435x328
fx3u-16mr/es-a 32mr 48mr 64mr 80mr 促销特惠台版fx3u-32mt/es-a
图片尺寸750x1664