g71二型格式

g71g72g73编程实例.doc
图片尺寸792x1120
广数g90指令 g71指令编程(图)对不对
图片尺寸1600x1200
你好格式为g71u(△d)r(e);g71p(ns)q(nf)u(△u)w(△w)f(f)s(s)t(t);g
图片尺寸496x702
数控车g71g70指令的编程加工实例doc
图片尺寸860x1216
g71外圆粗车循环
图片尺寸1280x1024
请教各位数控编程大哥帮小弟解决数控编程问题!
图片尺寸829x507
g92 x80 z80;n2 m03 s1000;n3 g01 x46 z3 f100;n4 g71 u1
图片尺寸1323x1044
格式:g70 p ns q nf ; 说明: g70为执行g71,g72,g73粗加工循环
图片尺寸575x385
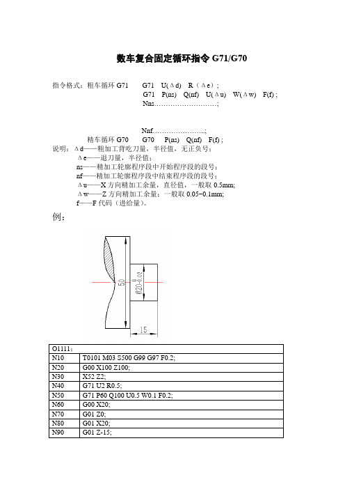
指令格式:粗车循环g71 g71 u(Δd) r(Δe); g71 p(ns) q(nf) u(Δu) w
图片尺寸496x702
【fanuc系统】固定循环g32 g70 g71 g72 g73 g74 g75 g76 g90 g92
图片尺寸1080x810
图1,圆弧轴 (1)无凹槽加工时 ①格式: g71 u(δd)r(δr)p
图片尺寸377x291
g72二型编程格式
图片尺寸496x567
3 t0101(外圆刀) m03s300 g70z5 g71u2r2p1q2x1z0f0.
图片尺寸450x253
ug编程数控车床加工时的复合循环指令g70g71g72g73
图片尺寸512x341
g71的格式
图片尺寸500x302
活动作品数控车床中g71g72一型和二型的区别
图片尺寸964x602
你好 格式为g71u(△d)r(e); g71p(ns)q(nf)u(△u
图片尺寸893x478
g71二型格式的用法 喜欢的可以收藏哦
图片尺寸680x595
编程格式,粗车编程,精车编程,循环编程等
图片尺寸500x348
g71 g70指令的用法.doc 4页
图片尺寸792x1120