g71编程实例及解释

g71编程实例及解释 - 百度文库
图片尺寸499x691
复合形状固定循环指令g71/g70_加工_培训学校_运行
图片尺寸1042x787
数控编程实例一则.doc
图片尺寸993x1404
凯恩帝g71g73g78编程实例
图片尺寸920x1302
求个数控车床g代码编程
图片尺寸910x558
凯恩帝g71g73g78编程实例
图片尺寸920x1302
手动cnc编程g代码和m代码
图片尺寸920x1302
数控课题g71
图片尺寸920x1302
fanuc数控车床螺纹切削复合循环g76编程实例
图片尺寸800x1132
数控车gg指令的编程加工实例
图片尺寸920x1303
g72(g7295高铁时刻表)
图片尺寸792x1120
例4-1 如图4-20所示工件,试用g70,g71指令编程.
图片尺寸575x385
g71编程实例及解释 - 百度文库
图片尺寸496x702
数控车gg指令的编程加工实例
图片尺寸920x1303
fanuc系统数车床的编程与操作实例.doc
图片尺寸792x1120
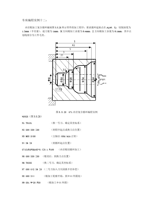
《数控车床编程与操作》精品资料g71内径复合循环编程.docx
图片尺寸792x1120
数控车g71有凹槽复合循环编程实例
图片尺寸920x1302
g71编程实例及解释 - 百度文库
图片尺寸496x702
30个编程实例带你快速搞定数控车手工编程
图片尺寸639x864
g71车子弹头葫芦编程,浙江景龙数控编程培训学校,口碑好,技术牛.
图片尺寸448x252