gb5783-86

12.9级外六角螺栓m5*10-50
图片尺寸600x719
m8-m64型号a级等级六角螺栓类型全国可售卖地gb5783-86标准编号碳钢8.
图片尺寸750x1154
8级外六角螺栓gb5783/iso4017六角头螺栓-阿里巴巴
图片尺寸790x1165
gb5783-86六角头螺栓-全螺纹免费下载 - 结构规范 - 土木工程网
图片尺寸490x690
8.8级细牙高强度螺丝 m12*40*1.25细丝外六角螺栓 gb-5782/5783
图片尺寸571x762
8级gb5781全牙外六角螺栓,m10-1.5x40,镀锌,100个/包
图片尺寸790x885
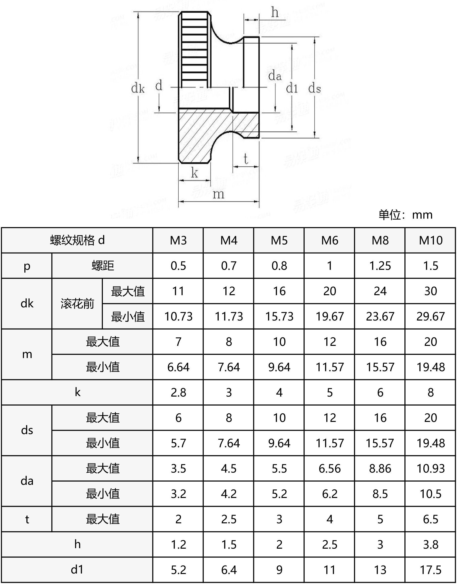
东明tong滚花高螺母 gb806_图片/参数/价格/产品批发-米思米misumi
图片尺寸1875x2396
gb 867-86 半圆头铆钉
图片尺寸2232x3024
8 总长度 50-200(mm) 螺纹公差 4h 表面处理 根据客户要求 材料等级
图片尺寸800x800
8级 标准编号 gb5783-86 产品
图片尺寸790x981
开槽平端紧定螺钉|2*3|碳钢|发黑|gb/t73-198.
图片尺寸609x870
gb5783高强度全牙 全螺纹8.8级外六角螺丝螺栓钉m8*100110120/200
图片尺寸793x1249
8.8级细牙高强度螺丝 m12*40*1.25细丝外六角螺栓 gb-5782/5783
图片尺寸832x876
8级碳钢螺栓/gb5783-「螺栓/螺柱」-马可波罗网
图片尺寸719x1920
304不锈钢gb5783外六角螺栓螺丝m10*16/20/25/30/35/40/45/50-140
图片尺寸750x480
供应镀锌30栓 外六角螺栓 质优价廉 供货及时-槟榔产业网
图片尺寸790x483
88级外六角螺栓gb57835782高强度镀锌m8系列88外六角螺栓
图片尺寸790x600
din_103-5___1972-10 iso公制梯形螺纹 名义尺寸为8~10mm的螺母的螺纹
图片尺寸1518x2111
《gbt68-2000-开槽沉头螺钉》.pdf
图片尺寸792x1165
螺钉 m8×40 热镀锌图片大全,海盐经济开发区双博紧固件厂-马可波罗网
图片尺寸804x1172