gb707_2016槽钢

ipn upn upe 槽钢 u 截面 150x75 温和热轧钢通道
图片尺寸750x1062
槽钢钢结构幕墙槽钢上海槽钢价格
图片尺寸3000x3000
国标槽钢 槽钢价格 基本参数 品牌: 槽钢 产品名: 槽钢 参数: gb/t707
图片尺寸800x750
首页 产品中心304不锈钢槽钢 1)热轧不锈钢普通槽钢(gb707
图片尺寸622x448
槽钢
图片尺寸1024x768
供应广西唐钢gb/t707槽钢12号
图片尺寸1650x1170
22#槽钢新行情
图片尺寸1024x707
唐山厂家现货直销槽钢欢迎选购
图片尺寸1024x707
槽钢国标尺寸
图片尺寸960x1357
建筑用热轧 c 形钢制槽钢
图片尺寸1440x1080
包装,标志及质量***明书的一般规定),gb707―88(热轧槽钢尺寸,外形
图片尺寸600x600
安徽日标槽钢安徽欧标槽钢安徽美标槽钢安徽upn槽钢安徽upe槽钢
图片尺寸1024x707
热镀锌槽钢
图片尺寸1024x707
湖南槽钢批发
图片尺寸600x400
(1)热轧不锈钢普通槽钢(gb707-88)主要用于建筑结构,车辆制造等工业
图片尺寸3767x2825
槽钢
图片尺寸950x550
宜宾317l不锈钢槽钢厂家低价批发零售
图片尺寸2448x3264
渭南金宏通槽钢现货价格表(采购推荐)
图片尺寸600x418
产品中心 矿用钢材 (1)热轧普通槽钢(gb707-88) 主要用途:普通
图片尺寸600x408![(九)热轧普通槽钢[(gb)707-65]| h-高度;b-腿宽;d-腰厚;t-平均腿厚;r](https://imgs.wantubizhi.com/img/735A5D1F980B52A636CC46F12F2D1A73F75F0ABED3DF92F79469B81F00DCFF0D8997C71F808089B50A509FD97D720E6F73061A5E1E1C603AC0F9BD32FD2598909A309626FD335970516E0C80FEFC3002FBEDB39C927C28657D1A497260E91734)
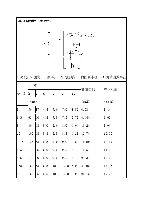
(九)热轧普通槽钢[(gb)707-65]| h-高度;b-腿宽;d-腰厚;t-平均腿厚;r
图片尺寸496x702