gpm8f3116a引脚图

凌通原装gpm8f3331a高度集成的微控制器
图片尺寸570x521
a3116应用电路原理图(包含封装引脚图)tpa在线会|共谈adi智能工厂方案
图片尺寸1125x709
很显然led灯是接在gpm口引脚下面的 2,数据手册
图片尺寸472x468
tpa311x功放噪声分析控制及tpa3116d2中文资料与引脚图等
图片尺寸402x457
tpa3116d2tpa3118d2tpa3130d2带有am干扰防止功能的15w30w50w双声道d
图片尺寸746x444
tpa3116d2-q1 tpa3118d2-q1 temp_slos862.gif
图片尺寸623x513
场效应管管脚图
图片尺寸433x197
l/min (gpm)p max.
图片尺寸1415x1054
调频广播接收芯片tea5767的应用
图片尺寸548x464
tpa3116d2 tpa3118d2 tpa3130d2 temp_los708.gif
图片尺寸727x558
基于gpm8f3108的无位置无刷直流电机驱动控制电路
图片尺寸1228x767
功放tpa3116d2全新大功率芯片ic数字放大集成电路50w集成电路ic
图片尺寸750x1019
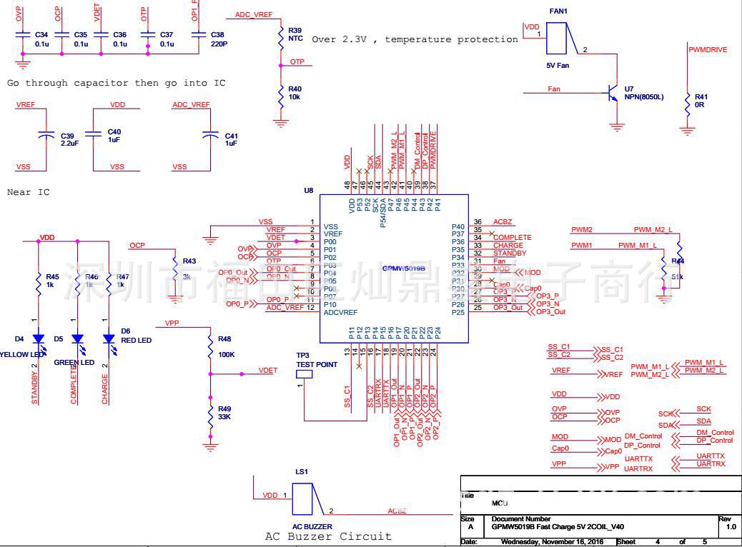
供应sti3470 优势 gpmw5019b无线冲方案应用ic 10w
图片尺寸1038x766
疫情期间只能拿点手工活在家里做 - 抖音
图片尺寸1560x732
tpa311x功放噪声分析控制及tpa3116d2中文资料与引脚图等
图片尺寸574x344
接口盒条形音箱蓝牙/无线扬声器应用引脚对引脚兼容tpa3116d2和tpa
图片尺寸1138x621
飞机 注册号ps-gpm,巴西gol (高尔)航 - 抖音
图片尺寸1920x1276
tpa3110功放电路图封装pdf规格书下载
图片尺寸729x437
tpa3116d2/tpa3118d2/tpa3130d2 带有am干扰防止功能的15w,30w,50w双
图片尺寸497x376
丝印tpa3138d2 ic.
图片尺寸640x360