h20r1353参数

h20r1353pdfpdf
图片尺寸860x1217
h20r1353pdfpdf
图片尺寸860x1217
电子元件,配件及通信 活动组件 晶体管 参数 igbth20r1353
图片尺寸628x735
3dd15三极管管脚图参数
图片尺寸600x395
h20r1353pdfpdf
图片尺寸860x1217
h20r1203 igbt h20r1203 transistor h20r120 h30r1602 h30r1353 h25r
图片尺寸551x641
h20r1353pdfpdf
图片尺寸860x1217
a42b2(sot-89-3l) 参数 datasheet pdf下载
图片尺寸600x776
功率管fga25n120用正品h20r1203代换,结果有个别可以正常使用,多数
图片尺寸415x274
bu406h三极管部分参数:3,发射极
图片尺寸522x513
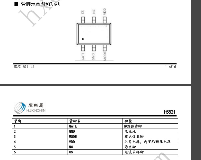
h5521直接替代76am车灯ic价格更优8-100v输入4a外置mos管sot23-6
图片尺寸781x621
risym h2010 直射式光电传感器 槽型光耦 光电开关 槽宽10mm
图片尺寸790x631
电磁炉大功率管即功率管(igbt),型号有h20r1202,20n120,25n120等,外形
图片尺寸267x244
电磁炉维修通用配件 h20r1353 d20xb80 5uf卧式电容 12a保险管2个
图片尺寸800x800
晟记 h20r1353 20a 1350v 电磁炉功率管 igbt管 新
图片尺寸415x349
三极管当开关可不能入这些坑
图片尺寸586x505
h25r1203 h20r1353 h30r1353 h30r1602 电磁炉igbt单管 h20r1203
图片尺寸750x750
优势供应igbt-zh15n120r3 原装正品
图片尺寸434x281
h20r1353 电磁炉常用igbt功率管 h30r1353 h30r1602 全新进口
图片尺寸800x793
全新原装h20r1353 20a/1350v美的电磁炉常用功率管igbt大功率
图片尺寸3120x3119