hc05原理图

正点原子atk-hc05蓝牙模块原理图
图片尺寸732x702
浅析stm32f1芯片蓝牙hc05模块
图片尺寸932x557
蓝牙通信hc05hc06shc07shc06mhc07m电路原理图指令集
图片尺寸805x532
hc05蓝牙模块学习记录
图片尺寸1315x842
stm32与hc-05电路图
图片尺寸2008x1016
求帮忙检查蓝牙hc05连接at89s52单片机的电路原理图
图片尺寸800x563
原理图:首先,需要的是蓝牙模块和一个usb转ttl的模块,如下图:hc05是
图片尺寸979x552
hc05蓝牙模块外观二,原理图如下图所示,hc05蓝牙模块原理图如下三
图片尺寸520x353
用于hc05蓝牙模块的交互式向导
图片尺寸791x571
求帮忙检查蓝牙hc05连接at89s52单片机的电路原理图
图片尺寸363x459
hc05蓝牙模块和单片机的串口交叉连接问题求助
图片尺寸674x318
stm32之蓝牙模块hc05使用
图片尺寸931x781
bc04和hc05及hc06s与hc07shc06m与hc07m蓝牙模块的电路图免费下载
图片尺寸933x602
hc05jj6grs参数datasheetpdf下载
图片尺寸850x1100
在这里插入图片描述
图片尺寸3508x2480
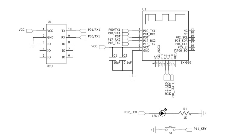
zx-d30双模无线蓝牙模块ble低功耗5.0hc05开关接收串口通信透传
图片尺寸750x448
物联网新闻 >> 物联网热点新闻 图6为本系统蓝牙模块(hc05)之控制
图片尺寸550x327
蓝牙模块hc05使用说明.pdf
图片尺寸305x282
1056_764
图片尺寸1056x764
一种电动自行车智能控制系统
图片尺寸1343x1337