hx711电路图

hx711pcb设计电路图
图片尺寸1197x690
基于51单片机的hx711模块
图片尺寸847x450
51单片机hx711称重传感器的电子秤设计与制作详解含源码实物原理图等
图片尺寸734x525
hx711 ad 模块原理图
图片尺寸1080x410
arduinohx711模块电子秤
图片尺寸800x443
hx711电路连接图
图片尺寸3292x1761
51单片机hx711家用电子秤仿真原理图程序
图片尺寸1273x892
hx711计价秤的典型应用电路:hx711称重衡器应用电路:pcb参考设计图:五
图片尺寸1081x571
51单片机hx711电子秤
图片尺寸701x523
称重传感器的应用hx711
图片尺寸600x450
单片机托盘式电子秤制作hx711
图片尺寸582x312
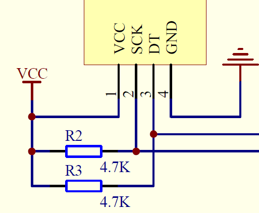
hx711 图中两个电阻作用
图片尺寸513x422
电路原理图如下:例如1000g砝码称出来是934g,则hx711_xishu=(原值)*
图片尺寸890x559
hx711电子称完整单片机程序和原理图
图片尺寸1133x981
hx711原理图pcb及相关使用经验分享
图片尺寸624x468
51单片机hx711家用电子秤仿真原理图程序
图片尺寸1014x789
称重压力传感器hx711ad模块电路 程序
图片尺寸893x539
hx711原理图pcb及相关使用经验分享
图片尺寸670x504
51单片机读取hx711ad转换值时数据为0
图片尺寸765x302
基于hx711数显称重仪的设计
图片尺寸339x199