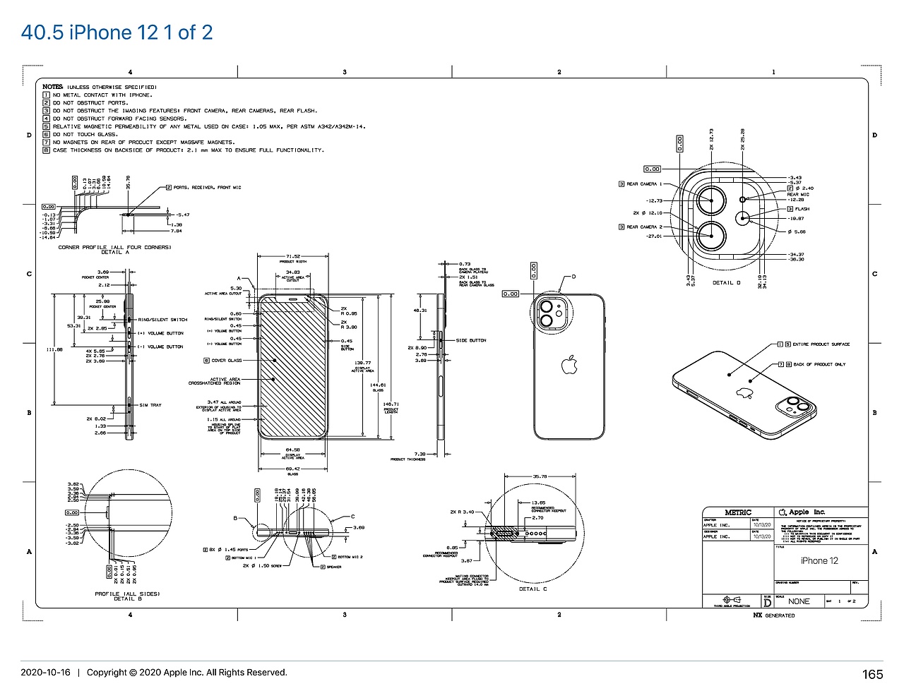
iphone12图纸

iphone12 3d模型(根据官方图纸)
图片尺寸1280x989
苹果也要做"胖手机"?iphone12设计图提前曝光!
图片尺寸1242x722
iphone12 将错峰发布,四款iphone cad 图纸曝光!
图片尺寸640x521
iphone13pro max,iphone12pro max原生,优质壁纸
图片尺寸1170x2533
随着iphone13的多种爆料越来越觉得iphone12买值了
图片尺寸480x321
iphone12 将错峰发布,四款iphone cad 图纸曝光!
图片尺寸640x583
iphone苹果12手机模板原型可编辑修改顶部状态栏
图片尺寸1892x909
原神苹果13手机壳透明适用于iphone11高颜值x直边12防摔保护壳8p雷电
图片尺寸1200x1687
iphone12没有大电池但有磁吸式无线充电
图片尺寸960x1594
iphone12设计图疑泄露内部细节曝光
图片尺寸630x357
iphone 12 拆机壁纸,效果超赞
图片尺寸640x1385
iphone12拆机壁纸效果超赞
图片尺寸710x1536
iphone12 3d模型(根据官方图纸)
图片尺寸1280x720
iphone12 模型 - 通讯工具图纸 - 沐风网
图片尺寸820x672
iphone 12的尺寸有三种大小可选择,也有传言说是四种,分别是5.
图片尺寸640x392
疑似iphone16设计图流出
图片尺寸690x497
苹果手机iphone12三维模型资源推荐下载
图片尺寸530x407![iphone 12 mini高清拆解图一览,被誉为最小,轻,薄的5g机型[多图]](https://imgs.wantubizhi.com/img/735A5D1F980B52A636CC46F12F2D1A7369EF0BAB3D04D99F65EF9AEA615F6457627C826DF4D77773906427BB3C962204EB40A60D71DBFC9AC6ED1FEBFDFB2F1122C8D58BF5B9BDBA3D5FB93C8A8571FD2102C0F489AE61EF6F8D3880FCEC00EA)
iphone 12 mini高清拆解图一览,被誉为最小,轻,薄的5g机型[多图]
图片尺寸550x412
iphone16渲染图
图片尺寸690x932
iphone 12高清图赏 蓝色iphone12看起来到底怎么样
图片尺寸5472x3648