ka3525a引脚参数

sg3525a 电压型 pwm 脉宽调制控制器 原厂直销
图片尺寸565x745
sg3525a引脚分布
图片尺寸410x323
电压型pwm芯片ka3525在直流逆变电焊机中的应用
图片尺寸480x270
共享充电宝投资骗局是什么
图片尺寸718x469
车载逆变器的电路维修
图片尺寸400x320
wsem 维修配件 pwm 脉冲触发 3525集成块 ka3525 逆变焊机 zx7 - 痕风
图片尺寸964x827
lm3525a中文资料
图片尺寸2048x2656
sg3525 (uc1)引脚功能和参考电压
图片尺寸2058x1398
控制器ka3525a 原装正品 质量稳定 在线交易
图片尺寸1483x1920
功能引脚排列图详见图七
图片尺寸416x484
ka3525电路图
图片尺寸800x527
简单易调的工频小功率逆变器sg3525 power inverter
图片尺寸519x344
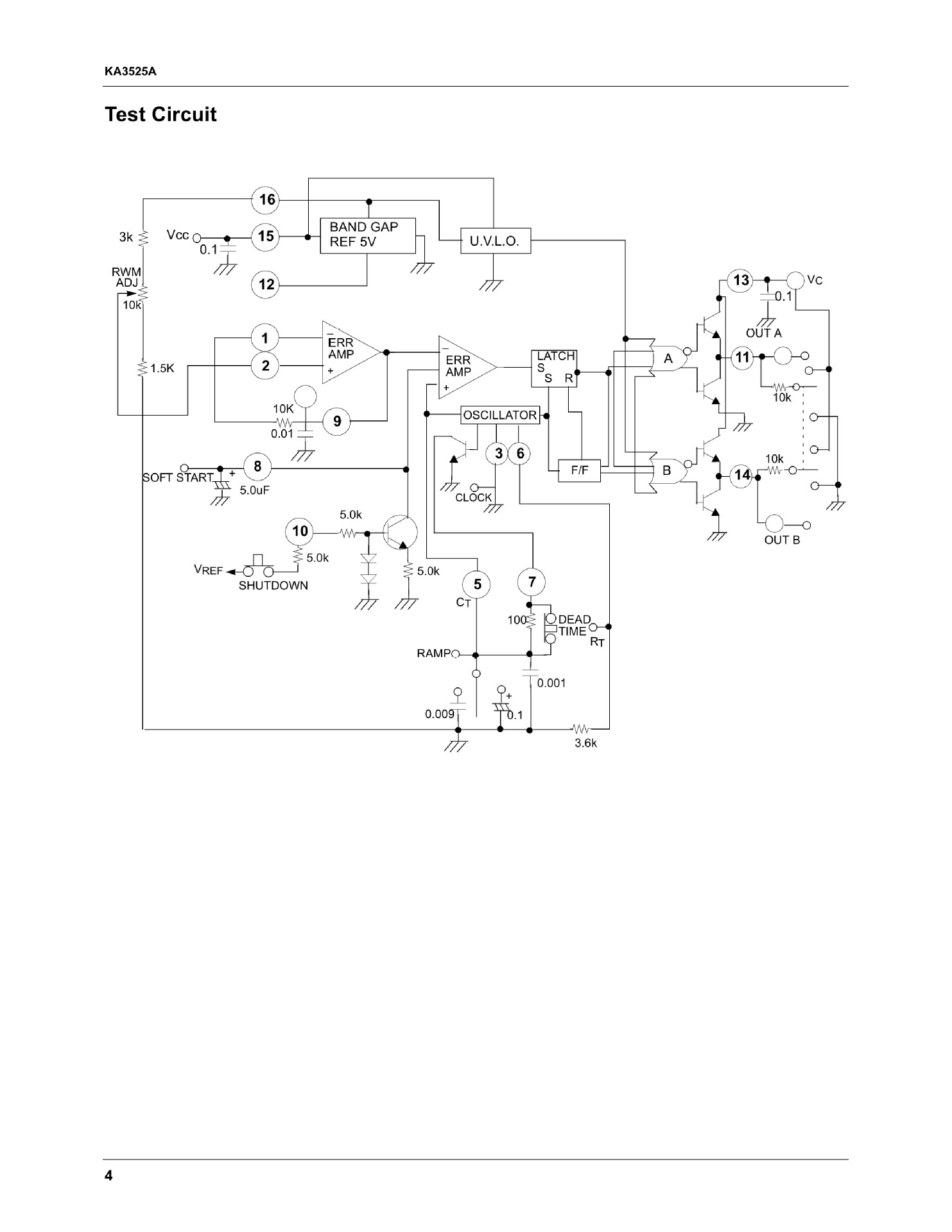
ka3525a
图片尺寸588x812
sg3525引脚功能及特点简介(图二)
图片尺寸506x378
ka3525a逆变电路图 深圳市科辉特电子有限公司
图片尺寸925x654
这个3525的电路是不是有问题?电流一大就被烧! - 捷配电子市场网
图片尺寸753x488
sg3525中文资料pdf_sg3525芯片概述/特性/原理及引脚图等信息
图片尺寸333x252
sg3525的引脚 第1页
图片尺寸319x397
sg3525中文资料汇总(sg3525引脚图功能_内部结构参数及应用电路)
图片尺寸778x557
ka3525a,ka3525a pdf中文资料,ka3525a引脚图,ka3525a电路-datasheet
图片尺寸850x1100