ksa50电路图

胆结石,用ksa50做合并机,大师们请指点.(直播中)
图片尺寸1129x715
ksa50mk2电路图
图片尺寸1194x867
经验心得ksa50
图片尺寸749x585
美国奇力krellksa50甲类50wa类功放电路图jpg
图片尺寸1008x504
菜鸟问个ksa50的调试问题
图片尺寸1309x639
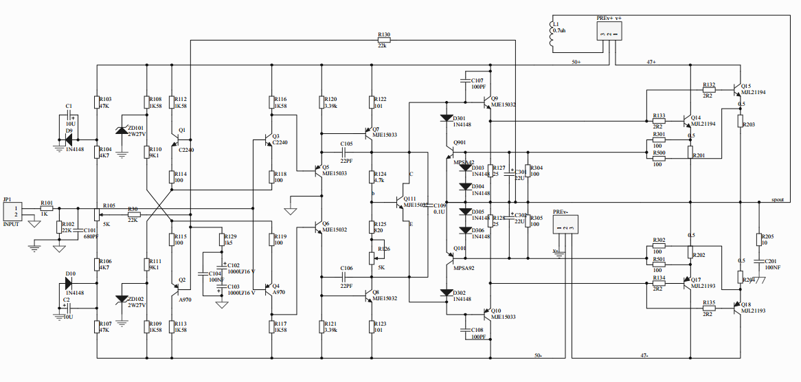
ksa50krell50hifi发烧功放放空功放板
图片尺寸1166x556
ksa50甲类功放电路图
图片尺寸1162x823
krell-ksa-50.gif
图片尺寸3810x1859
丁俊第三版ksa50电路图
图片尺寸965x537
ksa50频响1.png
图片尺寸1562x1107
翻做丁版ksa50的迷你合并甲类功放过程
图片尺寸830x584
再谈ksa50mk2与100mk2的区别
图片尺寸842x538
迟来的ksa50 有了麻烦
图片尺寸2000x926
ksa50原版电路图.jpg
图片尺寸932x547
ksa50频响2.png
图片尺寸1555x1099
猪血绝迹之后,什么才是ksa-50最好的兴奋剂
图片尺寸1673x893
学dxp2004画的仿ksa50线路功放板,重点是可换电压模块,请大侠帮忙拍砖
图片尺寸1226x881
闲着没事仿真个ksa50的线路,让diy变的更有方向
图片尺寸1336x769
ksa50功放交流贴
图片尺寸800x321
再谈ksa50mk2与100mk2的区别
图片尺寸884x555