l298n封装图

l298n的封装尺寸
图片尺寸600x385
(l298n封装尺寸图)
图片尺寸720x488
l298n芯片封装库下载
图片尺寸550x542
原装正品 st/意法 l298n 双路全桥式驱动器ic 保证质量 热卖中
图片尺寸909x520
l298n芯片引脚图
图片尺寸857x560
l298n
图片尺寸1240x1754
电机驱动器-l298n模块介绍
图片尺寸938x475
l298n 步进电机驱动 ic 芯片 电桥驱动器 封装zip-15
图片尺寸800x800
l298是sgs公司的产品,比较常见的是15脚multiwatt封装的l298n,内部
图片尺寸694x458
l298n步进电机驱动芯片icl298电桥驱动器内部开关封装zip15
图片尺寸800x800
l298
图片尺寸828x805
两个都是l298n,,但是封装只有一个啊,,但这两个管脚分布不一样啊
图片尺寸519x275
l298n双h桥集成电路板的双h桥是什么意思为什么要叫双h桥l298n工作
图片尺寸592x438
原装正品 l298n 封装zip15 l298hn步进电机驱动芯片 电桥驱动器
图片尺寸1141x845
我买了一个直流电机驱动芯片l298n 急急急急急急急
图片尺寸523x581
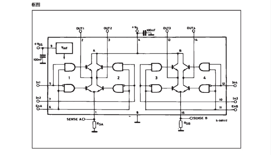
l298n管脚说明及电路
图片尺寸747x585
l298n电路图
图片尺寸1360x672
l298n驱动4路电机电路板的原理图pcb源文件
图片尺寸872x577
最近做了一个l298n用于驱动直流电机,底下附有连接图,大神们看看为啥
图片尺寸914x509
l298n直流电机驱动芯片
图片尺寸747x585