labview程序框图

labview程序框图
图片尺寸1274x564
程序框图
图片尺寸730x680
程序框图
图片尺寸1276x773
关于labview程序框图
图片尺寸1128x451
展开全部 请看以下程序框图,还不明白的话可以问我
图片尺寸382x283
晚上 程序面板程序框图
图片尺寸848x606
哪位大神能给我讲解下这个labview程序框图,谢谢!
图片尺寸1174x813
方法三程序框图
图片尺寸1182x803
卷积码译码程序框图
图片尺寸1374x628
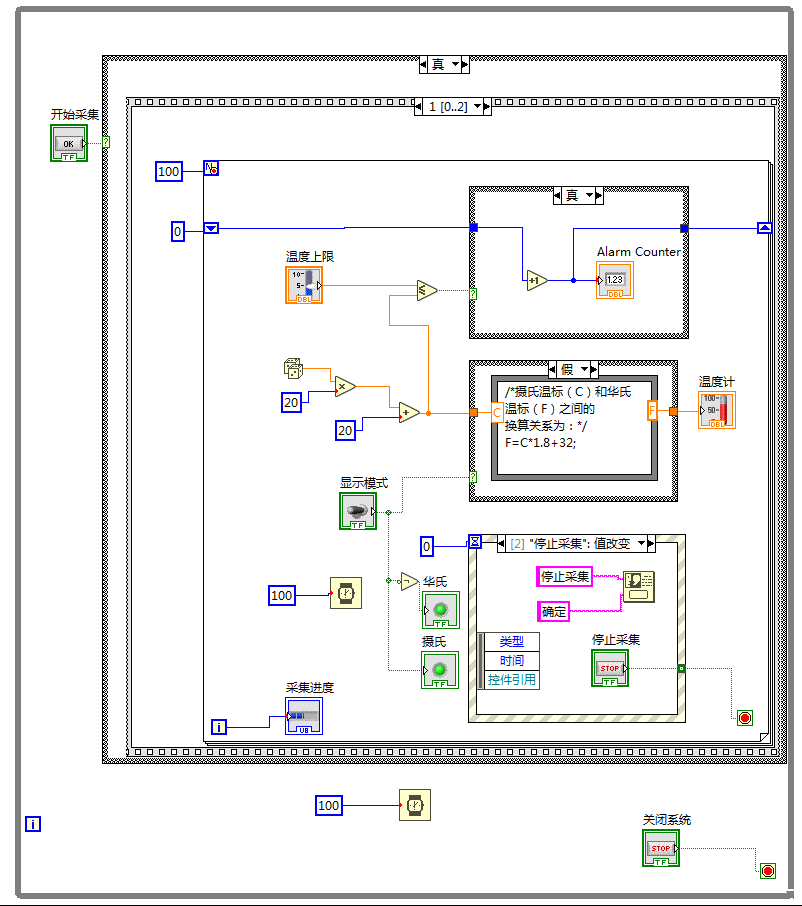
温度报警系统--程序框图
图片尺寸578x403
200分求高人帮忙看看labview的一个非常简单的程序
图片尺寸818x514
图41 旋转机构调控程序框图
图片尺寸1307x576
程序框图设计
图片尺寸584x344
程序框图.png
图片尺寸956x420
14labview程序结构的组合运用
图片尺寸1118x664
方法一程序框图
图片尺寸734x900
基于labview的分布式开关电源监控系统
图片尺寸1805x1441
猜数字游戏程序框图
图片尺寸1296x398
程序核心部分框图
图片尺寸557x277
整体程序框图
图片尺寸802x906