lc51芯片参数

商品详情云采
图片尺寸750x653
gigabyte/技嘉 h310m-ds2 cpu接口类型: intel lga 1151 intel芯片
图片尺寸750x1393
商品详情云采
图片尺寸750x936
seven rainbow stars x15 the evaluation focuses on the frivolous
图片尺寸640x821
2sa1015l_word文档在线阅读与下载_免费文档
图片尺寸893x1263![[讨论] hd4000](https://imgs.wantubizhi.com/img/ADDA3C5D760C6828B77B505A29D43E83D25C5B84655ACA51E1EC73DD4FAD3C753B4393BAFBB155F4128EEA2CB24807FCD10AF665D4A4E25F3B6D1100E6FF6395D459A0AEA71F392AB2E3BBED7D6BE32390A79C6B730ED59B62081C52B21E4706)
[讨论] hd4000
图片尺寸1200x881
11代jasper n5095加购较上一代10代gemini lake j4125性能提升约30%!
图片尺寸745x1060
jpg (1032×2000)
图片尺寸658x1275
产品特点产品参数产品配件产品名称:focus35截入大图中.
图片尺寸1756x1520
bl(上海贝岭)模拟开关芯片bl1551采购_价格_数据手册 -立创商城
图片尺寸1240x1754
it007 - 品质实惠生活 - powered by discuz!
图片尺寸949x414
手册pdf下载数据手册pdf商品目录功率电子开关属性参数值找到类似商品
图片尺寸1240x1754
isp521-1,isp521-2,isp521-4,tlp521-1,tlp521-2,tlp521-4
图片尺寸766x1099
002133y8ks7t08mmvmimtm.jpg
图片尺寸859x1390
p data-id="gnblk0t7gs">at89c51是一种带 a target="_blank" href="
图片尺寸280x283
方面采用了arm 4 ×cortex-a73和4×cortex-a53的big-little八核架构
图片尺寸554x570
sm7055非隔离式恒压小家电电源芯片7v0.1a_18v0.3a_back方案
图片尺寸959x1357
h61 v21图片_百度百科
图片尺寸591x668
7815 数据表(pdf) 3 page - semtech electronics ltd.
图片尺寸892x1263
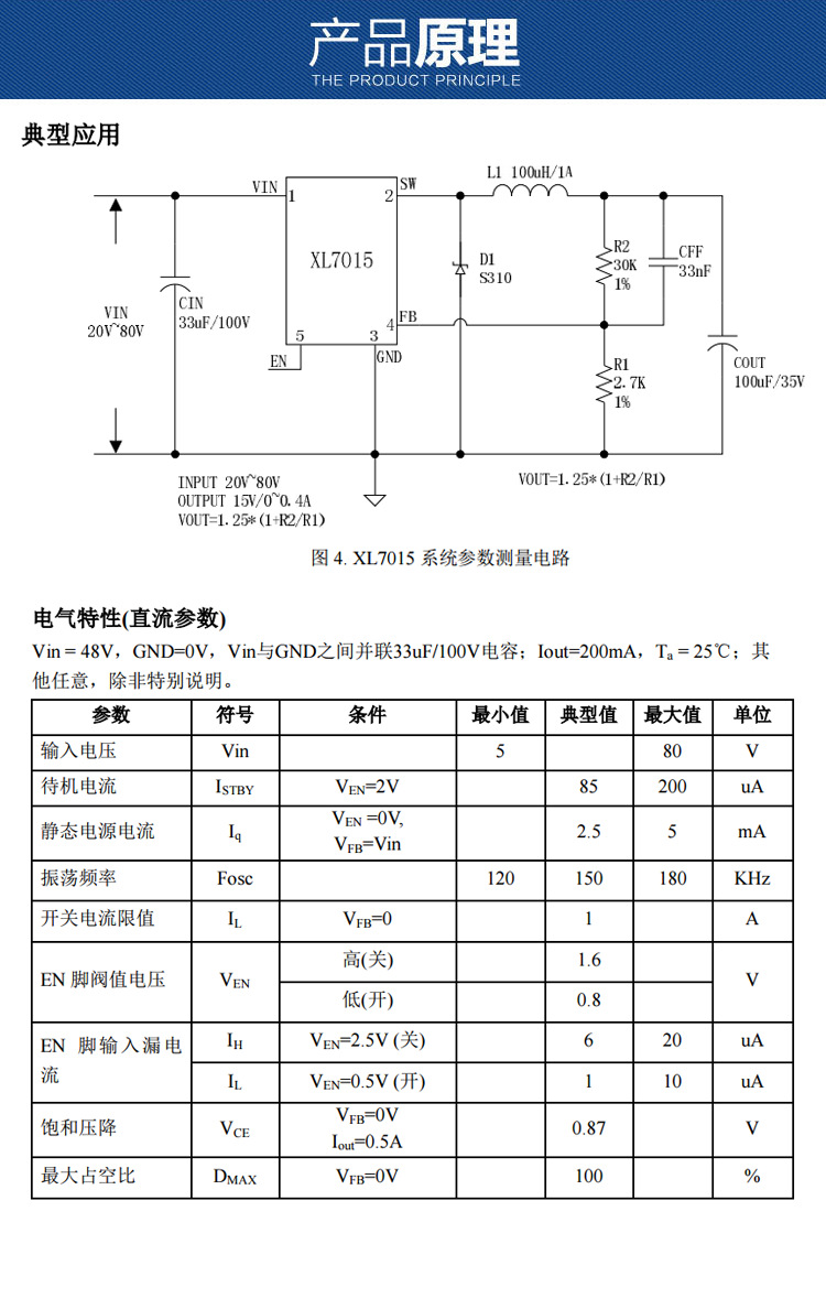
现货供应xl7015直流dc-dc高压80v大电流降压恒压稳压ic驱动芯片
图片尺寸750x1178