lm339引脚图和参数

集成块lm393引脚图
图片尺寸500x291
采用lm339比较器的电磁炉不检锅检修
图片尺寸356x311
lm2901dr四路差分比较器芯片中文资料pdf数据手册引脚图图片参数价格
图片尺寸340x266
lm393引脚图及功能
图片尺寸543x325
电磁炉lm339引脚功能
图片尺寸367x298
lm393引脚图中文资料参数
图片尺寸486x552
下面是lm339的引脚图.软件环境:protel/altium designer
图片尺寸514x478
公司竟相推出自己的四比较器,如ir2339,ani339,sf339等,它们的参数
图片尺寸494x210
lm193-n lm2903-n lm293-n lm393-n 00570901.png
图片尺寸2359x1542
lmv393idr低电压比较器芯片中文资料规格书pdf数据手册引脚图参数价格
图片尺寸268x324
lm393
图片尺寸438x268
lm290312参数datasheetpdf下载
图片尺寸827x1169
lm339制成的电量显示部分电路图
图片尺寸280x327
lm339 和 lm339a 器件的额定工作温度范围是 –0°c 至 70°c.
图片尺寸675x351
lm339引脚图
图片尺寸320x371
lm2901dr四路差分比较器芯片中文资料pdf数据手册引脚图图片参数价格
图片尺寸3024x4032
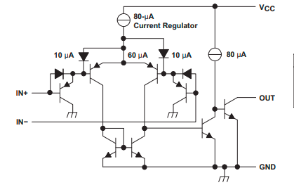
功能框图:引脚图:规格书参数:如需要采购lm339器件,或者查看更详细的
图片尺寸419x263
lm339各个引脚中文资料
图片尺寸486x322
lm393,lm358,lm386,lm324,lm339各是什么,有什么区别?
图片尺寸623x342
格力gc一2058电磁炉lm339n各脚正常电压
图片尺寸720x1280