ly2013开关电源原理图

24v6a双端正激开关电源原理图
图片尺寸917x546
30w12v输出开关电源电路图
图片尺寸2359x1093
开关电源的基本电路原理介绍
图片尺寸1392x850
50w输出开关电源原理图
图片尺寸2424x1304
开关电源原理图01.jpg
图片尺寸1337x717
开关稳压电源电路原理图180v110v输出220v输入
图片尺寸1144x806
30w15v精密输出开关电源电路图
图片尺寸2137x1355
30w12v输出开关电源电路图
图片尺寸2468x1176
明伟12v开关电源电路原理分析
图片尺寸937x585
12v/1a输出开关电源电路
图片尺寸2218x1068
开关电源电路图
图片尺寸1308x754
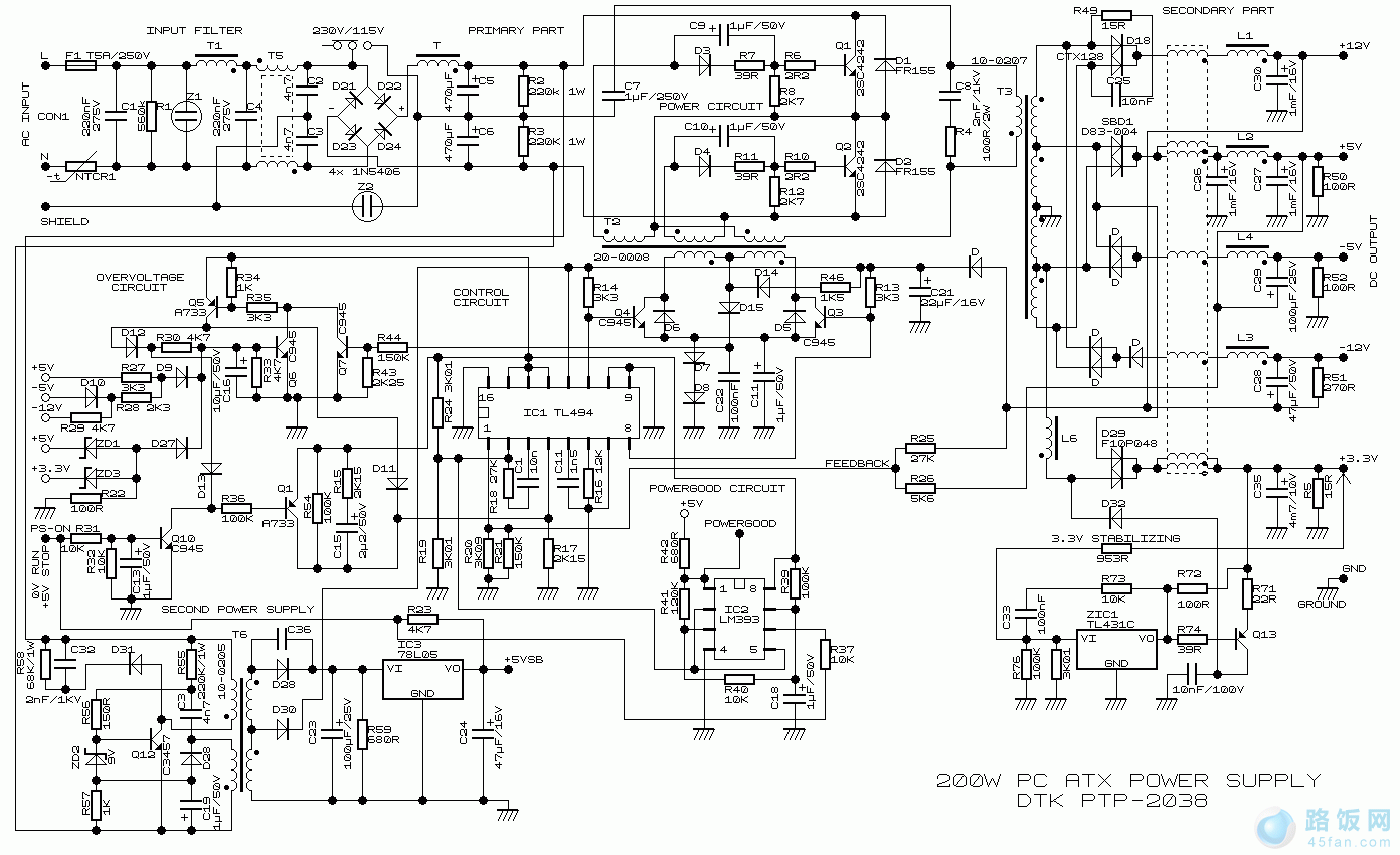
电脑开关电源原理图
图片尺寸1263x652
24v2a开关电源原理图和pcb文件
图片尺寸906x403
开关电源原理图
图片尺寸908x576
开关电源工作原理及应用方案大全
图片尺寸1038x536
小功率开关电源电路
图片尺寸1009x589
2010-08-06 开关电源的电路图 2 2014-05-15 开关电源电路原理图 1
图片尺寸1396x827
开关电源原理图.jpg
图片尺寸1052x541
常见开关电源原理
图片尺寸521x339
12v10atl494开关电源电路原理图免费下载
图片尺寸1181x726