mac97a8引脚接线图

双向可控硅mac97a6的电路应用
图片尺寸911x390
连城
图片尺寸640x1360
采用mac97a6简单调光电路
图片尺寸1188x918
电脑电源灯一闪一闪是,主板跳线那个接错了
图片尺寸1099x652
3,rgmii 接口---mac 侧与 phy 侧接口连接
图片尺寸865x654
智能足浴盆拆解如何简单实现触控恒温功能
图片尺寸553x583
sbc8100 plus单板机_接线图分享
图片尺寸427x971
你好,我是问那个mac97a6应用的.
图片尺寸534x312
协议iicspi串口rs232rs485rs422目前还差canusbttl
图片尺寸714x755
mac97a6可控硅参数mac97a6参数规格书mac97a6引脚图
图片尺寸578x629
0基础ufs自学笔记一
图片尺寸1045x579
tx或4100base tx 1 fx支持1k mac地址输入448k位的包缓冲存储器100m
图片尺寸654x679
8米全兼容9针串口线usb转rs232电脑连接线win8 linux mac
图片尺寸790x549
根据 ieee 802.3u 标准, mii 包括 16 个数据和控制信号的引脚.
图片尺寸746x473
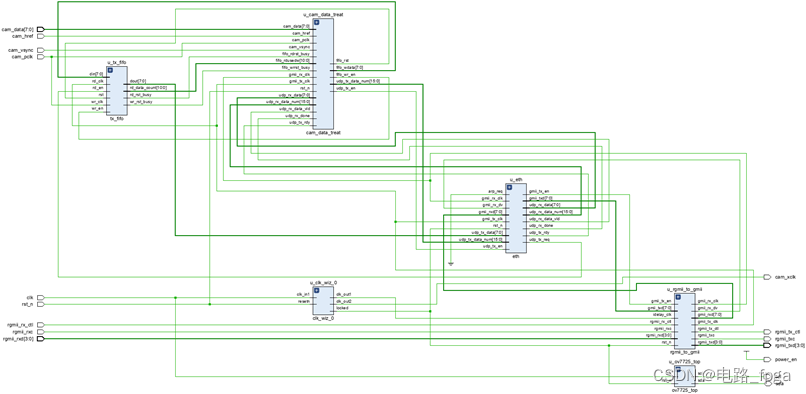
6969顶层模块跟以前一样,主要就是对各个模块的引脚进行连接,对应
图片尺寸806x394
双向可控硅:该双向可控硅来自于长晶科技,型号为mac97a8,封装形式为to
图片尺寸554x732
双向可控硅mac97a8 97a8闸流晶体管三极管 插件to-92 10只
图片尺寸800x800
mac97a6可控硅参数mac97a6参数规格书mac97a6引脚图
图片尺寸1242x577
协议iicspi串口rs232rs485rs422目前还差canusbttl
图片尺寸563x269
根据 ieee 802.3u 标准, mii 包括 16 个数据和控制信号的引脚.
图片尺寸957x475