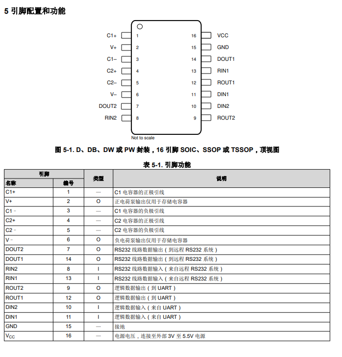
max3232 引脚

max3232cpwr:中文介绍,产品特性,参数,引脚图及原理图
图片尺寸698x728
max3232
图片尺寸529x624
max232引脚
图片尺寸324x434
max3232cpw 引脚图
图片尺寸1000x1000
max232详细中文总结
图片尺寸666x418
max3232电路图
图片尺寸945x1337
max3232 max3232layout.gif
图片尺寸523x470
max232引脚图
图片尺寸636x366
常用的引脚是2,3,5.
图片尺寸634x362
max3232标准电路(max3232电路图)-图2
图片尺寸1041x500
基于ch340n设计的调试端口
图片尺寸1657x958
max3223cpwr 引脚圖
图片尺寸1000x1000
max3232-rs232至ttl转换器ic_引脚配置_应用领域
图片尺寸606x337
max3232使用全部2路串口互相干扰的问题
图片尺寸709x377
本文将为大家提供max3232idr型号的中文介绍(产品参
图片尺寸600x616
max3232中文资料汇总(max3232引脚功能图_特性参数及应用电路)
图片尺寸606x395
电路引脚及主要特性max312313314四spst模拟开关
图片尺寸1423x3357
单片机在汽车驾驶模拟器中的应用
图片尺寸778x506
max232/max3232乱码不能工作问题分析解决
图片尺寸1252x469
max232正常工作下,各引脚约为多少伏?
图片尺寸985x528