mos管短路保护电路图

高压脉冲电源高压场效应管mos管igbt短路保护电路图
图片尺寸685x607
利用mos管和稳压二极管来做保护电路 - 程序员大本营
图片尺寸932x551
单片机mos管短路保护
图片尺寸456x509
一种mos管短路保护电路的制作方法
图片尺寸1000x656
开关电源-必备的过压保护电路分享-kia mos管
图片尺寸530x372
专题三22mos管详解
图片尺寸706x606
mos过压保护电路与电池mos管保护电路
图片尺寸453x311
如何做mos管的短路保护
图片尺寸886x551
sic mosfet 短路保护 电路
图片尺寸437x297
mos管在保护电路中反接的讨论-电子芯吧客(www.icxbk.com)
图片尺寸1176x1080
mos管的保护短路与过流
图片尺寸373x441
单片机控制t9的通断来控制mos管的通断求负载输出短路保护电路
图片尺寸895x514
单片机控制t9的通断来控制mos管的通断求负载输出短路保护电路
图片尺寸505x407
详解sicmosfet的短路检测及短路保护kiamos管
图片尺寸488x298
看看我做的电源短路保护电路
图片尺寸825x374
一种直流电路中mos管限流保护电路的制作方法
图片尺寸746x1000
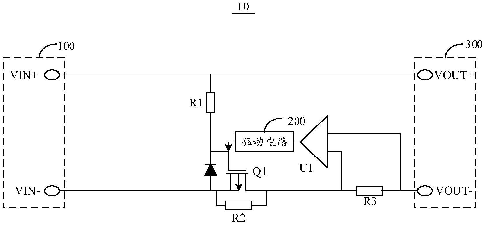
本申请提供一种短路保护电路,包括输入端,输出端,第一mos管,第一电阻
图片尺寸1681x782
一种并联mos管均流及短路保护电路制造技术
图片尺寸1000x586
mos管 保护电路中mos管有什么作用?-kia mos管
图片尺寸362x262
mos管的保护短路与过流
图片尺寸482x343