mos管自激振荡电路图

自激振荡电路,产生高压,求解释原理
图片尺寸905x625
型自激振荡器,混经验的勿扰 讲解一下就行,或者发相关链接,电路小白
图片尺寸2560x1920
自激振荡电路
图片尺寸799x652
自激振荡电路原理电源通过r2限流→vt1b极触发三极管→ce极导通→led1
图片尺寸780x1040
自激振荡器电路的解析过程-电子发烧友网
图片尺寸425x322
自激振荡器来源:zhengyuan分类:基础电路时间:2011-08-26阅读:1101可
图片尺寸403x589
这是一个单管自激电路.
图片尺寸580x470
第34期 02 互补型自激振荡电路原理解析,实验现象倒推理论过程,可以吗
图片尺寸1163x727
自激振荡_pnp振荡电路-csdn博客
图片尺寸631x471
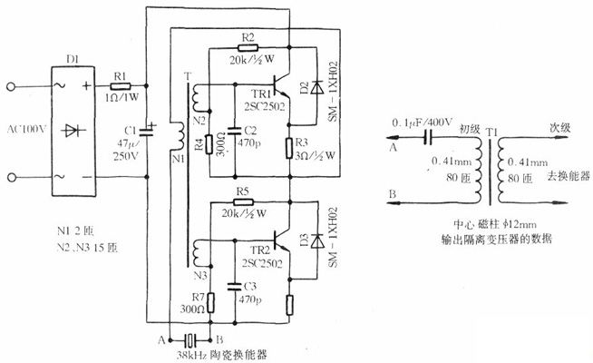
双管自激振荡电路
图片尺寸640x744
p>自激震荡是指不外加激励信号而自行产生的恒稳和持续的振荡.
图片尺寸654x400
单管自激振荡电路:工作过程及原理分析-kia mos管
图片尺寸508x383
你看下我提问的哪个,那个自激振荡怎么消除啊,谢谢了
图片尺寸454x387
mos管自激) 下面我们来看一下电路图我只是个表情包下面开始制作闪电
图片尺寸1180x908
自激多谐振荡器-电路图-aet-中国科技核心期刊-最丰富的电子设计资源
图片尺寸1189x506
自激振荡电路
图片尺寸946x806
新手求教自激多谐振荡器原理
图片尺寸3968x2976
自激推挽振荡电路的制作方法
图片尺寸978x1000
由互补晶体管组成的多谐振荡器
图片尺寸1080x601
新鲜出炉的单mos管自激特丝拉线圈
图片尺寸693x520